Paso 1: Reunir las partes

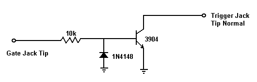
El esquema de arriba muestra el circuito recomendado por Moog. Y usted puede conseguir las piezas que necesita de Radio Shack. (Sí, Radio Shack todavía está en negocio y todavía venta de estas piezas. Sólo tienen tiendas menos.)
Además de cable de audio normal, una resistencia de 1/8 watt 10 k y un enchufe de teléfono estándar 1/4", te recomiendo que conseguir estos artículos de Radio Shack. El enchufe oversize de RS es mejor para esto que otras que he visto, y con la exacta transistor y diodo recomendado por Moog.
Nº Descripción
276-1617 NPN transistores
Diodo de conmutación 276-1122
Enchufe de gran tamaño 1/4" teléfono 274-1539
Si usted necesita el cable de audio, resistencia y el enchufe de teléfono estándar 1/4", usted puede conseguirlos en Radio Shack también. Estos son los números de parte:
Nº Descripción
Cable de Audio 278-0513
resistencias de ohm de 1/8 watt 10k 271-006
274-1536 teléfono estándar 1/4" enchufe
Recomiendo que usted también consigue un pedazo corto de tubería con una abertura de sólo lo suficientemente grande como para caber sobre el resistor de 1/8 watt del encogimiento del calor. Una vez que tengas todas las partes, usted está listo para la Asamblea