Diseño de un convertidor DC-DC elevador (3 / 7 paso)

Paso 3: Diseñar el circuito

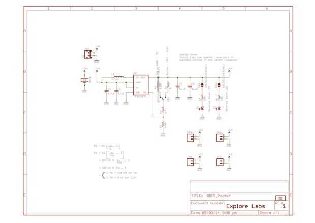
Después de estudiar las pautas de diseño y ejemplos de la hoja de datos de TPS61070, diseño esquemático siguiente fue creado. Un conector JST para acomodar diferentes tipos de entradas, una selección de voltaje cambiar (para cambiar entre 5 V y 3,3 V) y se han añadido 2 x 2 masculinos encabezados para interfaz con un protoboard. Activar Pin del IC TPS61070 fue conectado para el voltaje de entrada para la configuración de siempre ON. [Disponible en GitHub de esquema]

Artículos Relacionados

Alimentación de 5 voltios de la batería-libre proyecto

Alimentación de 5 voltios de la batería-libre proyecto

ahora usted puede tener una fuente de alimentación regulada constantemente a su alcance sin baterías para reemplazar o recargar! Este Instructable muestra cómo modificar una llavero linterna dinamo en una magra fuente de media que puede sustituir a l
Cargador de macbook USB

Cargador de macbook USB

Como estoy viajando mucho por trabajo y voluntariado en África también buscaba un dispositivo que podía utilizar mi macbook en zonas remotas sin electricidad.Como la batería sola que te llevo conmigo en los viajes es mi powerbank, sería ideal utiliza
Incorporado sistema de adquisición de datos de ECG

Incorporado sistema de adquisición de datos de ECG

Este instructivo está pensada como un guid para crear una tarjeta de adquisición de datos de Embeddded ECG, proporciona algunos conocimientos básicos sobre identificación de sistema y procesamiento digital de señales en Matlab, programación de FPGA e
ARDUINO MPPT SOLAR CHARGE CONTROLLER (Version-3.0)

ARDUINO MPPT SOLAR CHARGE CONTROLLER (Version-3.0)

Bienvenido a mis tutoriales de regulador de carga solar series. He publicado dos versiones de mi controlador de carga PWM. Si eres nuevo en esto, por favor consulte mi tutorial anterior para entender lo básico del controlador de carga.Este es proyect
Construir su propio presagio Wakeboard Winch de playa Winches.com

Construir su propio presagio Wakeboard Winch de playa Winches.com

este es nuestro segundo construir torno en instructables. Haga clic aquí para ver nuestro primer build de cabrestante. Aquí le damos un paso a paso wakeboard winch construir f. Voy a intentar dar todos los detalles de la construcción para que pueda t
Universal controlador de LED de alta potencia con caja 3D imprimibles

Universal controlador de LED de alta potencia con caja 3D imprimibles

*** hay una actualización de firmware. Por favor, echa un vistazo! ***LEDs están tomando cada día la iluminación convencionales. Más de 1W de alta potencia LED se está convirtiendo en cada vez más asequible, y quería empezar a usar para reemplazar la
Tiras de LED de DMX

Tiras de LED de DMX

Alrededor del perímetro de nuestro anillo de circo tenemos 17 vallas, decorados con tiras de LED RGB. Quería controlar el resto de nuestra iluminación con DMX.DMX es un estándar industrial para comunicación con equipos de iluminación. Wiki de DMXBusc
RaspiRover

RaspiRover

¡ Hola!He hecho un pequeño robot wifi con una Raspberry Pi y otros componentes.Permítanme presentarla!PD: ser indulgente, es mi primer instructivo!Paso 1: Las cosas que necesitará Se necesita:-una frambuesa Pi (35 Eur)-cam frambuesa (17,50 euros)-cla
Elevador de voltaje ajustable (0.7-5.5V 5.5V - 2.7)

Elevador de voltaje ajustable (0.7-5.5V 5.5V - 2.7)

Introducción:Un elevador de tensión es un circuito que aumenta la tensión. Puede ser AC/AC, AC/DC, DC/AC o DC/DC.Este elevador de voltaje es un regulador de voltaje ajustable DC/DC. Generalmente un regulador de voltaje es alimentado por una mayor ent
Booster elevador

Booster elevador

Se trata de un circuito de DC-DC elevador Booster (entrada 3.5V-13V) a 12VDC / 1.5A salidaPaso 1: introducción El esquema es de www.elecfree.comOs animo a visitar ya que hay un montón de esquemas útiles para usar libremente.Todo que hizo fue dibujar
100W LED antorcha Flash luz - impresión de diseño/3D

100W LED antorcha Flash luz - impresión de diseño/3D

Primero me topé con el concepto de hacer una antorcha muy potente (o luz de flash a nuestros primos americanos) de un YouTuber Matt Perks aka DIY. Propuso volver a un disipador de CPU y un marco de aluminio personalizados para hacer una mano increíbl
Diseñar tu propia moto eléctrica!

Diseñar tu propia moto eléctrica!

Conversión de una moto a un vehículo eléctrico no es tan difícil como usted podría pensar. Una conversión de EV puede hacerse con el 100% de las piezas del estante con la ayuda de varias instrucciones de compilación disponible gratis en internet. Muc
Diseño y construcción bonito avión RC

Diseño y construcción bonito avión RC

Hola a todos este es mi Instructable primera pero estoy emocionado y deseoso de compartir con toda la gran gente de aquí cómo diseñar y construir un avión a control remoto. La aviación ha sido una pasión de toda mi vida y me ha llevado a obtener mi t
Diseño y fabricación de un pabellón de flexión activa

Diseño y fabricación de un pabellón de flexión activa

¿Por qué es tan difícil de construir formas de forma libres? Principalmente porque la mayoría máquinas de fabricación están destinadas a acción plano material del proceso, la complejidad aumenta exponencialmente en cuanto pasamos de 2D a 3D. Dinero t