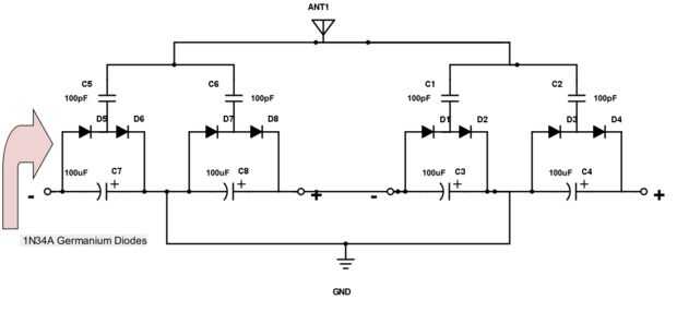
Paso 1: en primer lugar, siga el esquema para construir el circuito de energía libre



En primer lugar usted necesita construir el "circuito de energía libre de Tesla". Así que encontrar un protoboard y siga uno de los diagramas anteriores.
El primer diagrama muestra el circuito básico y el segundo muestra el esquema para dos conectados en serie.
Usted necesitará por lo menos las siguientes acciones para construir el primer circuito:
4 diodos (utilicé diodos de germanio 1N34A)
2 condensadores de cerámica de 100pF
2 condensadores electrolíticos de 100uF