Paso 3: Junta de desarrollo de 12F609










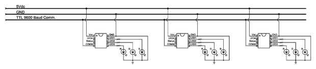
En este diseño de Junta, realmente quería probar la idea de enviar energía y comunicación sobre los mismos dos cables. Si comm errores fueron ignoradas, se requiere sólo dos cables. Eso es solo abajo derecha cool! Mientras que el envío de comunicaciones sobre los cables de alimentación es cool, no es necesario. Todas las lámparas pueden conectarse un cable comm solo si lo desea. Esto significaría que cada lámpara requeriría tres cables con un alambre de estado cuarto de retroalimentación opcional. Ver el diagrama abajo.
Poder y comunicación pueden combinarse usando un puente H simple. El puente de H puede manejar grandes corrientes sin ningún problema. Muchos, alta LED actual, podía ensartados en sólo dos cables. La polaridad de la corriente a las lámparas se puede cambiar muy rápidamente con el puente en H. Por lo tanto, cada lámpara utiliza un puente de onda completa para rectificar el DC de conmutación a corriente normal. Uno de los pines del micro se conecta a la entrada conmutación DC potencia para que la señal de comunicación puede ser detectada. Un resistor limitador actual protege la entrada digital del micro. Dentro de la clavija de entrada de micro, el voltaje de DC conmutación prima está sujeta mediante diodos de campo interna de micro - DC conmutación es afianzada con abrazadera (cero volts Vcc) por estos diodos.
El puente de onda completa que es rectificar la corriente de entrada genera dos gotas del diodo. Las dos gotas del diodo del puente se supera simplemente mediante el ajuste de la tensión de alimentación del puente en H. Una tensión de puente en H de 6 voltios proporciona una agradable fuente de 5 voltios en el micro. Resistencias limitantes individuales se utilizan para cortar la corriente por cada LED. Este poder / comm esquema parece funcionar muy bien.
También quería probar añadiendo salidas de transistor entre el micro y los LEDs. Durante Banco de pruebas, si el 12F609 empuja duro (demasiado actual en su camino de salida) parpadeará todas las salidas. La corriente máxima para el chip entero según la hoja de datos que puede soportar el 12F609 es 90mA, total. Bueno, eso no va a funcionar! Quizás necesito actual mucho más que eso. Añadir transistores me da capacidad de 100mA por LED. El puente de diodos es clasificado en 400mA para que 100mA por capacidad de LED solo quede. Hay un inconveniente; los transistores cuestan 10 centavos de dólar cada uno. Al menos los transistores tomé han construido en resistencias - Digikey parte número MMUN2211LT1OSCT-ND. Con los transistores en el lugar, hay NO parpadeo de los LEDs. Para la producción de lámparas creo que los transistores no será necesarias si se utilizan LEDs de 20mA "normal".
La Junta de desarrollo diseñada en este paso es sólo para pruebas y desarrollo. La Junta podría ser mucho menor si se utilizan resistencias más pequeñas. Eliminando los transistores se ahorraría un montón de espacio de tabla también. También se pudo quitar el puerto de programación en el circuito para los tableros de producción. El punto principal de la Junta de desarrollo es sólo para probar el sistema de alimentación/comm.
De hecho, después de recibir los consejos, descubrí que un problema con la disposición de la Junta. El chip puente de onda completa tiene un pinout goofy. Tuve que cortar dos rastros y añadir dos cables de puente a la parte inferior de cada tabla. Además, los rastros al LED y el conector son demasiado delgados. Oh bien, vivir y aprender. No será la primera vez que equivoqué un nuevo diseño de tablero.
Tenía ocho tarjetas constituidas BatchPCB. Tienen los mejores precios pero son tan lento. Llevo semanas para obtener que las tablas de nuevo. Todavía, si su precio sensible, BatchPCB es el único camino a seguir. Sin embargo, voy a volver a los circuitos AP - son super rápidos. Sólo deseo que tenían una manera más barata de enviar las tablas fuera de Canadá. Circuitos de AP me golpes 25 dólares en gastos de envío por cada pedido. Lastima si me voy a comprar sólo 75 dólares valor de tablas.
Me tomó dos días para la soldadura de las juntas poco ocho. Tomó otro día para averiguar resistor de pull-up que R6 (ver esquema) fue meterse conmigo. Supongo que el resistor que R6 no es necesario. Estaba preocupada después de leer la hoja de datos y se indica que no hay ningún micro internos pull-UPS en esta entrada de pin. En mi diseño, el pin es activamente conducido todo el tiempo de todos modos por lo que un pull-up no es realmente necesario después de todo.
Para enviar comandos a la tarjeta utilicé simple 9600 baudios mensajes desde un programa Python. La materia prima venida de RS232 de la PC se convierte en TTL usando un chip MAX232. La señal RS232 TTL va al entrada de control de puente en H. El RS232 TTL también pasa por una puerta del inversor en un chip 74HC04. El RS232 invertido entonces va a la otra entrada de control de puente en H. Por lo tanto, ningún tráfico de RS232, el puente H salidas 6 voltios. Para cada bit de la RS232, el puente H cambia la polaridad a v-6 para como RS232 bit dura. Ver las fotos del diagrama de bloque abajo. También se adjunta el programa de Python.
Para los LEDs, he comprado un montón de http://besthongkong.com. Tenían grado 120 brillante LEDs en rojo/verde/azul/blanco. Recuerde, los LEDs utiliza sólo para la prueba. Compré un 100 de cada color. Aquí están los números para los LEDs utiliza:
Azul: 350mcd / 18 centavos / 3.32V @ 20mA
Verde: 1500mcd / 22 centavos / 3.06V @ 20mA
Blanco: 1500mcd / 25 centavos / 3.55V @ 20mA
Rojo: 350mcd / 17 centavos / 2.00V @ 20mA
Utilizando estos cuatro LEDs para llenar la lámpara, se suman a costar tanto como el micro en 82 centavos de dólar! ¡ Ay!.