Deslice la cerradura de la tarjeta (4 / 6 paso)

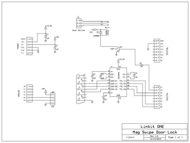
Paso 4: Esquema, código y control

Artículos Relacionados

¿Cómo abrir una cerradura? HACK TARJETA DE PLÁSTICO!

¿Cómo abrir una cerradura? HACK TARJETA DE PLÁSTICO!

HACK TARJETA DE PLÁSTICO! ¿Cómo abrir una cerradura?¿Quieres saber cómo abrir una cerradura con una tarjeta de plástico o para ser más precisos ¿cómo hacer una copia de llave con una tarjeta de plástico? Este video es para ti. Es fácil hacer una copi
Cómo arreglar una cerradura rota en tarjetas SD

Cómo arreglar una cerradura rota en tarjetas SD

Las tarjetas SD tienen cerraduras mecánicas que permiten su evitar quede escribirse. Aunque esto puede ser bueno para la seguridad, la mayoría de las veces sólo terminan consiguiendo roto. Por suerte, fijación de la tarjeta SD sólo te costará unos cé
Reparación falta cerradura de la tarjeta SD

Reparación falta cerradura de la tarjeta SD

Hola este es mi primer instructivo y me no siento tan bien en inglés, por favor, ser amable.Hoy quería guardar datos en mi tarjeta SD, pero faltaba el bloqueo (lo gris tire hacia abajo para hacer la tarjeta Escriba protegido).Así busqué en Google y d
Proceso de truco eliminación tarjeta

Proceso de truco eliminación tarjeta

este es uno de los primeros trucos de tarjeta nunca aprendí. Es un truco de tarjeta uno mismo-funcionamiento, creado específicamente para los principiantes, pero cualquier persona puede hacerlo.¡ Disfrute!Paso 1: configuración La configuración para e
Extensión una baraja de tarjetas de 3 maneras diferentes!

Extensión una baraja de tarjetas de 3 maneras diferentes!

Si usted quiere ver como un controlador de la tarjeta profesional o simplemente quieres impresionar a tus amigos, esta es una manera segura de hacerlo.Paso 1: Lo que se necesita 1. una baraja de cartas2. tus manosPaso 2: La difusión de la cinta Esto
Agregar un cooler a una ATI todos en Wonder 9600 tarjeta VGA

Agregar un cooler a una ATI todos en Wonder 9600 tarjeta VGA

tarjeta de All-In-Wonder de ATI el es un gran valor para las características, así que estoy seguro mucha gente compró uno cuando estaban disponibles. Una de las razones que eran de gran valor fue más lenta, componentes más baratos, por lo que la tarj
Mi botón de Mac E

Mi botón de Mac E

tengo un hijo discapacitado que necesita lo que se llaman botones grandes de Mac.  Son un registro y botón para volver a reproducir.  Generalmente terapeuta usa para enseñar con el habla y trastornos cognitivos a comunicarse con a decir nada. El indi
¿Prevención de robo de camioneta

¿Prevención de robo de camioneta

bloqueado las llaves de su camioneta, lejos de casa? Vaqueros no debían llorar, así que una sencilla herramienta en el lugar de materiales encontrados que le permitirá en forma rápida y sin dañar el vehículo, siempre y cuando el carro tiene una venta
DIY 3D Pop Up invitación de la boda

DIY 3D Pop Up invitación de la boda

Me encanta pop-ups como estas da vida hasta a una simple tarjeta. Es verdaderamente mágico cuando vemos nuestra creación que salta a la vida. Una vez dominado el truco, pop-ups son muy fáciles de crear. Todo lo que necesitas es tiempo, paciencia y al
Transistor Radio Time Machine

Transistor Radio Time Machine

no tire a la basura ese viejo radio de transistores. A fin de que en una máquina del tiempo extraña, nostálgica transmisiones a través del altavoz original. Completa con una selección de destinos de tiempo personalizados y luz revoloteando ámbar de v
Cómo Dis/volver a montar el ensamble del gatillo de la Ruger 10/22

Cómo Dis/volver a montar el ensamble del gatillo de la Ruger 10/22

este Instructable le mostrará cómo desarmar y volver a montar el ensamble del gatillo para el rifle Ruger 10/22. Para esto, debe tener su campo de rifle despojado. Si no sabes cómo seguir, mi instructable aquí:Paso 1: Quite el pasador de liberación d
Funda de yoyo

Funda de yoyo

un costos de pistolera Molle como £7, así que decidí hacer mi propio. Son muy fáciles de hacer y lucen muy bien.Paso 1: Cosas que necesitará Paracord.Mosquetón.Cerradura de la cuerda.Tijeras.Pegamento PVA o encendedorEn lugar de un paracord puede uti
Funda de paracord Yoyo (yoyo)

Funda de paracord Yoyo (yoyo)

cuando mi hijo recientemente se interesó en Yoyo, yo estaba a bordo con él.  Nos dirigimos a la tienda de juguetes y compré uno para cada uno de nosotros.  Cuanto más practicaba, más empezó buscando nuevos trucos.  Encontró con fundas de Yoyo en líne
Calza de candado de poder sin herramientas

Calza de candado de poder sin herramientas

todos sabemos puede abrir candados baratos la mayoría con una cuña hecha de una lata de aluminio. Bueno, quizás no todos sabemos, pero tal es el caso. Sin embargo, cuando estoy de pie fuera de mi casillero después de trabajar y darse cuenta de que he