Paso 9: Parte electrónica













Como lo mencione anteriormente, es importante saber la relación de humedad-temperatura y el tiempo de sampling, porque sabemos de antemano las propiedades de los alimentos contenidos, es decir, no se deshidratan los alimentos a la misma temperatura ni tampoco tienen el mismo tiempo de sampling, para esto saludando controlar ambos parámetros, esto lo vamos a lograr gracias al sensor DHT-22 , tiene una gran respuesta ante estas variables (al menos para estos os). Aquí les dejo un link donde pueden encontrar una tabla básica de tiempo y temperatura para filtro-regulador productos orgánicos.
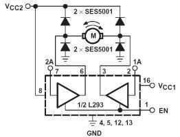
Ocupando dicho sensor, podemos controlar la apertura y cierre de la compuerta permite expulsar el aire caliente, evitando haya una elevada temperatura dentro de la cámara pueda eliminar propiedades benéficas de los alimentos. Para el control de la puerta ocupé el integrado L293D se conforma de un par de puentes H, el mecanismo es el mismo se ocupa para abrir las unidades de disco de la computadoras. Perdona que este sistema no se vea profesional por no decirlo tan feo. Los interruptores de final de carrera se utilizan para parar el motor cuando se es necesario.
Por último, para poder visualizar las variables de los filtro-regulador parámetros vamos a ocupar el de pantalla TFT 1.8", la idea es poder mostrar los datos de los sensores de luminosidad, en el programa vamos a definirlos como circulante, también se verán tanto la temperatura como la humedad dentro de la cámara de sampling, así como la temperatura externa con ayuda del sensor LM35 , esto para comparar la temperatura al interior y al exterior del dispositivo.
Este video muestra el funcionamiento de la apertura y cierre de la puerta, tuve agregar una fuente de calor cerca del sensor para pudiera mandar la acción el controlador, ya se se oro un poco la puerta:), como ven la madera no es buen material para deslizar. Para poder utilizar el pantalla, necesitaran descargar antes unas cuantas librerias:
- Adafruit-DHT-biblioteca-DHT22
- Adafruit-ST3375-biblioteca-HY pantalla TFT de 1.8 SPI (ST7735)
- Adafruit biblioteca de gráficos
Este es el momento oportuno para reconocer un Ronny Simon, quien me inspiro con sus excelentes tutoriales.