Desde una cafetera a un reloj despertador de viaje (5 / 8 paso)

Paso 5: Subiendo el zumbador

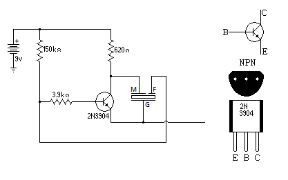
El timbre era ruidoso y molesto pero queria ver si hacerlo más fuerte con un zumbador piezoeléctrico más grande por lo que he construido un circuito controlador para la fecha de un zumbador piezoeléctrico rescató desde un detector de humo. Todos sabemos lo molesto que puede ser un detector de humo si nunca ha configurado uno.

No hubo diferencias apreciables por lo que decidí ir con el zumbador con el construido en circuito del conductor.

Artículos Relacionados

Cómo hacer una cafetera automática-elaboración de la cerveza

Cómo hacer una cafetera automática-elaboración de la cerveza

Intro:Para esas mañanas donde basta que el café para estar listo cuando te despiertas, tu Arduino cafetera vendrá al rescate! Esto puede hacerse con la mayoría de los fabricantes de café, pero el que utilicé fue una Keurig B-40, los pasos deben ser e
Reloj despertador madera

Reloj despertador madera

todos los días del año pasado me desperté en mi cama nueva casera todavía orgulloso de mis padres y mis logros. Esto es hasta que estoy mirando mi reloj despertador, una pieza de plástico con algunos números digitales que indica la hora. Ya es hora q
Reloj despertador de agua Splash - Wake hasta el agua que cae sobre ti

Reloj despertador de agua Splash - Wake hasta el agua que cae sobre ti

La forma más rápida para tener una taza de agua fría vertida sobre la cabeza. Gracias a este nuevo reloj de alarma, usted puede despertar con este refrescante comienzo cada día! Es perfecto para aquellos que tienen problemas para levantarse de la cam
Antimateria del excavador/reloj despertador/película Prop

Antimateria del excavador/reloj despertador/película Prop

Bueno, no es realmente la antimateria, pero mayoría de las personas que se atreve a pensar por sí mismos es probablemente en la lista de vigilancia de alguien, y no quiero atraer la atención de cualquier agencias de tres letras... ¿Y todo el mundo sa
Convertir cualquier máquina de café en una cafetera automática

Convertir cualquier máquina de café en una cafetera automática

con una parte simple que usted puede poseer ya, puede convertir fácilmente cualquier vieja cafetera (eléctrica) en una cafetera automática.Materiales necesarios:-Una cafetera eléctrica-Un temporizador enchufable (por ejemplo: http://www.homedepot.com
Reloj despertador loudner

Reloj despertador loudner

he leído y hecho muchos instructables aquí y en otros lugares acerca de impulsar despertadores.  Más trabajado, pero los encontré demasiado alta tecnología para mi gusto. Quería mucho más simple.Usé mi batería por radio controlado reloj despertador (
¿Reloj despertador de la dinamita

¿Reloj despertador de la dinamita

siempre tuvo problemas para despertarse en la mañana? ¿Nunca dormirse nuevamente después de que ya ha sonó el despertador? Despertar y permanecer despierto mediante la construcción de su propio despertador dinamita! Obviamente no hay ninguna explosió
Hacer un Live USB para arrancar desde una unidad USB

Hacer un Live USB para arrancar desde una unidad USB

Un Live USB le permitirá ejecutar un sistema operativo desde una unidad USB, así que puede probar un sistema operativo sin una partición, o llevar una favorita con usted o tener una copia de seguridad de emergencia en caso de que el ordenador se bloq
Cómo limpiar con seguridad una cafetera y olla.

Cómo limpiar con seguridad una cafetera y olla.

Cada mañana a que usted confiar en su cafetera para ayudar empezar el día en el camino correcto, proporcionando una patada de cafeína necesaria cuando usted se siente lento.Dando su máquina seguirá una buena limpieza una vez al mes preparar delicioso
Instalar Windows 7 en un Netbook Acer desde una unidad USB Flash

Instalar Windows 7 en un Netbook Acer desde una unidad USB Flash

esto es un how-to para instalar Windows 7 en un Netbook Acer desde una unidad flash USB.Requisitos:USB Flash Drive (min 4GB)Imagen de Windows 7 DVD o ISO (32 bits)MBRWizard (Descargar)Paso 1: Extracto de MBRWizard y formato Flash DriveDescargar y ext
Como subir Videos y fotos desde una cámara a Mac

Como subir Videos y fotos desde una cámara a Mac

A veces quieres usar una Mac, cuando sólo sabes usar una PC! Aquí es cómo subir fotos desde una cámara o un dispositivo IOS.Paso 1: Tomar algunas fotos! Tomar algunas fotos, no importa cuántos.Paso 2: Conecte la cámara Conecte su cámara (o el disposi
Cómo enviar SMS desde una página PHP a través de HTTP mediante el uso de frambuesa Pi

Cómo enviar SMS desde una página PHP a través de HTTP mediante el uso de frambuesa Pi

Fondo de enviar SMS desde web con Raspberry Pi¿Tiene curiosidad acerca de la manera más fácil de enviar SMS desde su sitio de Internet? Hoy en día, me he vuelto muy interesado en el campo de la Internet de las cosas (IoT), por lo tanto pensé que serí
Escultura de cadena cinética construido desde una bicicleta

Escultura de cadena cinética construido desde una bicicleta

tomó una bicicleta vieja, rescatados de un asiento de coche-motor de 12 voltios de otro proyecto de energía y funcionó la cadena alrededor de la llanta trasera. Me parece lo fascinante es casi peligroso para encender; Podría pasar una hora viendo las
Encontrar una buena ducha mientras que en un viaje por carretera

Encontrar una buena ducha mientras que en un viaje por carretera

Aunque es el más práctico de las cosas, parece siempre aprender algo nuevo. Tomar la ducha por ejemplo, crees que sabes, pero te sorprenderías cuánto pueden aprender acerca de cómo obtener una buena ducha cuando usted está viajando en una caravana de