Paso 2: algoritmo


1. de las números palabras a ser ordenados, cada palabra se compara con las restantes palabras n-1. Esto requeriría nC2 k bit comparadores.
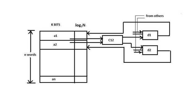
2. para cada ai palabra > aj (0aj Di recibe un input 1 de Cij y Dj obtiene una entrada 0 del Cij.
3. el circuito combinacional Di agrega el número total de 1 de entrar en ella y da una salida correspondiente a él. Esta salida puede tener un valor máximo de n. Así esta salida necesita una representación binaria de log2n bits como se mencionó anteriormente.
4. la salida de Di es el rango de la IA palabra binario sin signo. Una IA palabra es mayor que una palabra aj en fila si y sólo si ai > aj.
5. cada palabra puede accederse con referencia a su fila utilizando el campo fila asociado a la palabra como el parámetro de búsqueda en la CAM.
-Este algoritmo implementa clasificación de números binarios sin signo usando una memoria de contenido direccionable en tándem con un circuito combinacional y k bit comparadores. Como resultado del uso de comparadores y circuitos combinacionales Di para el procesamiento, el circuito culmina el proceso de clasificación en ciclo de 1 reloj. Se puede mencionar que el ciclo de reloj está sujeta a limitaciones de tiempo debido a la naturaleza no ideales de los circuitos de la lógica utilizada