Hace unos meses que compré un brazo robótico de 4dof realizados en acrílico y esta semana decidí programar para jugar el antiguo y famoso juego Tic Tac Toc contra mí y también para participar en el concurso de robótico. Por lo tanto, si te gusta este             
 
              
            
				   
			 
              
             
               Suave robótica es un campo nuevo y joven de los robots que utiliza materiales (sobre todo) suaves y obedientes frente a materiales rígidos y duros. Más robots suaves están compuestos de múltiples actuador robótico suave, la mayoría de los cuales es a             
 
              
            
				   
			 
              
             
               Suave robótica es un campo nuevo y emocionante en la investigación de la robótica. Sin embargo, entrar en robótica suave como un aficionado puede ser difícil y costoso porque las impresoras 3D se requieren casi siempre para hacer el robot moldes. Par             
 
              
            
				   
			 
              
             
               Bienvenido al instructable para un brazo robótico controlado por gesto.Este instructivo consta de dos partes. Un instructable ya se ha escrito para el brazo robótico llamado EEzyBotArm. Se puede acceder al instructivo aquí-El valor agregado que en Cu             
 
              
            
				   
			 
              
             
               Este es un proyecto que hice para mi entrada de Feria de Ciencias de Google. Si te gusta este Compruebe hacia fuera y voten por mi para cuando esté disponible.Este es un video de la mano siendo controlado por el cerebro de apertura y cierre:Más vídeo             
 
              
            
				   
			 
              
             
               Bien finalmente lo hice. Por último apretó el gatillo y comenzó a construir un brazo robótico de 5/6 ejes. Se trata de un proyecto así que por favor revise de vez en cuando para mirar el progreso y ofrecer alguna idea que tengas quien sabe yo solo po             
 
              
            
				   
			 
              
             
               el brazo de Edge robótico OWI es un barato y buenísimo 5-grado-de-libertad robótica del brazo que sólo cuesta $37. Es un gran kit para construir con un niño y no tomar más de un par de horas para terminar. Fuera de la caja, sólo puede ser controlado             
 
              
            
				   
			 
              
             
               este es el segundo traje robótico, o kenexoskeleton que he diseñado fuera de K'NEX. Es una versión completamente revisada de mi primer traje, excepto el casco y es más fuerte y más móvil. Tomó un año crear y se compone de aproximadamente 7.000 piezas             
 
              
            
				   
			 
              
             
               LA IDEA:Hay por lo menos 4 otros proyectos en Instructables.com (a partir del 13 de mayo de 2015) alrededor de modificar o controlar el brazo robótico OWI. No es de extrañar, ya que es tan un gran barato robótico kit y para jugar con. Este proyecto e             
 
              
            
				   
			 
              
             
               brazo robótico en las estadísticasUn brazo mecánico es robótica, generalmente programable, con funciones similares a un brazo humano. Los enlaces de un manipulador de tal están conectados por uniones permitiendo el movimiento de rotación (tal como en             
 
              
            
				   
			 
              
             
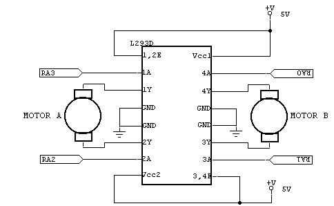
               * este instructable no es completa, voy a publicar pronto el códigoEl brazo:Este instructable muestra el proceso de construcción de un brazo robótico utilizando servos, microprocesador de Arduino, un giroscopio y sensores múltiples de la curva.El usu             
 
              
            
				   
			 
              
             
               Hola a mi amigo!Aquí te voy a mostrar cómo hice un brazo robótico controlado por Intel Edison y comandada por el movimiento de salto.El modelo 3D utilizado en este proyecto es un proyecto de código abierto muy bueno encontrar aquí: http://inmoov.frPa             
 
              
            
				   
			 
              
             
               Con este robot, todo lo controlas con la mano, incluso el brazo robótico!Los gestos de la mano pueden programarse de forma diferente.De la gama larga con Xbee comunicación!Paso 1: Piezas necesariasArduino Uno x2- http://store.arduino.cc/index.php?mai             
 
              
            
				   
			 
              
             
               ¡ Hola chicos! Soy un chico de 13 años de edad. En este instructable, voy a mostrarte cómo hacer un brazo robótico muy barato utilizando materiales y herramientas básicas.Paso 1: Herramientas y materiales Para poder hacerlo necesitas lo siguiente:1)