Paso 3: Circuito detalles



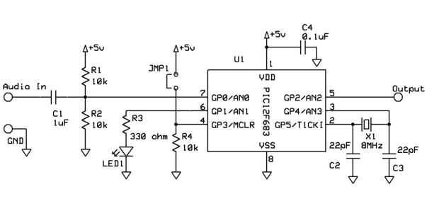
El convertidor A/D mide tensiones entre 0V y 5V. La entrada será una señal que oscila por encima y por debajo de 0 voltios, por lo que su forma de onda tendrá partes positivas y negativas. Para muestra la forma de onda audio entrada con el convertidor A/D, la señal de entrada debe ser cambiado de puesto.
El divisor de tensión creado por las resistencias R1 y R2 establece el sesgo en la mitad de la escala de entrada A/d (2,5 voltios). El condensador C1 parejas la CA señal de entrada a la entrada del A/d, así que ahora los cambios de forma de onda de entrada aproximadamente 2,5 voltios en vez de hacer pivotar alrededor de 0 voltios, como se muestra en los gráficos.
El microprocesador requiere un cristal de 8 MHz X1 y dos condensadores C2 y C3 como se muestra. LED1 es un indicador utilizado para la información visual. R3 se utiliza para limitar la corriente de la salida del microprocesador que controla el LED. C4 es un capacitor de desacoplamiento con el microprocesador.
Las funciones de los pines en el microprocesador U1 son las siguientes:
1) VDD. Aplicar + 5V al pin
Conexión de circuito de cristal 2), como se muestra en el esquema
Conexión del circuito cristal 3), como se muestra en el esquema
4) el modo de programación de entrada. Cuando esta línea está conectada alto via JMP1, el procesador estará en programación modo después de que el circuito se desenergiza y los reajustes del procesador. Si se retira el JMP1, el perno se tira bajo a través de R4 y la unidad se activará en secuencia de tono detecta modo después de un ciclo de potencia.
Salida 5). Esta es la línea que va alta cuando se detecta la secuencia programada de tonos.
Salida de indicador del LED 6). Este pin también se utiliza para una salida serial, como se describe en step7.
Entrada de A/D 7). Se trata de donde se muestrea la entrada de audio por el microprocesador interno convertidor analógico a digital.
8) VSS. Conectar este pin a tierra.