Paso 7: El montaje del PWB

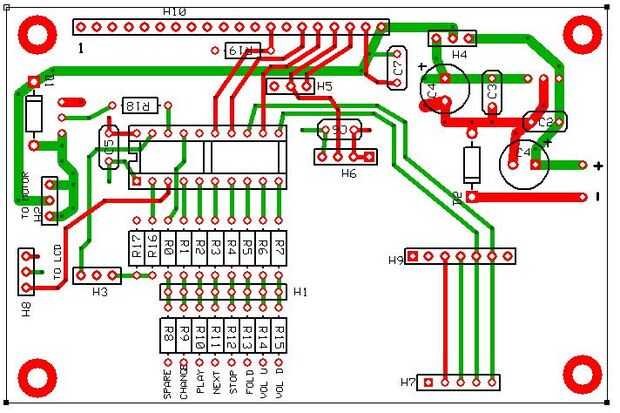
7. instalar los condensadores radiales:
Hay dos de ellos, C1and C4.
ESTAS SON ESPECÍFICAS DE POLARIDAD!
En el lado del condensador hay un signo más o un menos (diversos fabricantes pueden marcarlos diferentemente)
Asegúrese de que se sueldan en la PCB
Hay un pequeño signo + en la serigrafía del PCB para denotar la dirección!