Paso 6: El montaje del PWB

6. instalar las cabeceras de
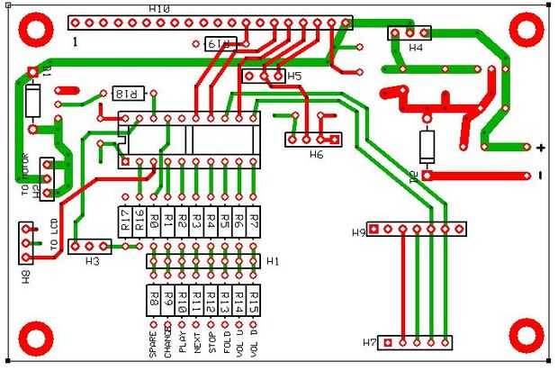
Estos se utilizan para hacer las conexiones a los módulos y elementos de lo PCB como los interruptores y pantalla LCD.
Hay macho y hembra encabezados.
H1, H2, H3, H4, H5, H8 son jefes masculinos, (tienen clavijas que se pega de ambos lados)
H6, H7, H8, H9 y H910 encabezados femenina, (el único tiene pines asomando de un lado)