Paso 2: Multiplexación herramienta 2: transistores NPN





En la figura 3 cada uno de los 8 × 8 LEDs en un solo segmento es conducido por medio de nuestra cadena de tampón de ICs.
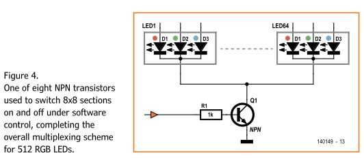
Para controlar los otros siete 8 × 8 segmentos de la pantalla tenemos un segundo método de multiplexación. Para ello tomamos los pasadores de cátodo de todos los LEDs dentro del segmento de 8 × 8 y conectarlos todos juntos. Luego conectamos a tierra a través de un transistor de NPN que nos permite habilitar y deshabilitar todos los LEDs en el segmento de 8 × 8 a la vez utilizando una señal de control solo para pin de la base del transistor. La figura 4 muestra esquemáticamente el método.
La foto muestra la pila resultante de ocho tarjetas de conductor.
Conectando todos los cátodos de los LED juntos para cada sección horizontal de 8 × 8 que podemos entonces usar ocho transistores NPN para habilitar o deshabilitar cada uno de los 8 × 8 tramos y por lo tanto controlar cada uno de los LEDs en cada sección individualmente. Esto es genial pero obviamente esto significa que sólo podemos ilumina 1/8 th de la pantalla en cualquier momento. Cambiando constantemente que 8 × 8 sección es activo a muy alta velocidad que podemos construir encima de la pantalla por lo que aparece al ojo humano que se enciende el cubo entero y constante.