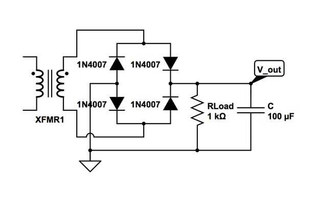
Paso 2: Agregar un filtro de paso bajo



1. el circuito anterior y añadir un condensador de 100µF en paralelo con Rload.
El condensador crea un filtro de paso bajo que filtra la tensión más baja.
Importante: Asegúrese de que obtener la polaridad de su condensador correcto antes de encender la regleta. El lado negativo debe conectarse a tierra.
Tensiones más bajas se filtran en la tensión de salida. Sin embargo, este circuito mantiene la variación en V_out.
Hecho de diversión! La ondulación de la tensión se puede calcular si tienes la tensión promedio.
∆V = ∆t * I / C = (∆t * Vavg) / (R * C)
Puede mejorar aún más esta fuente de alimentación mediante la adición de un Diodo zener o un regulador 7805 del Terminal.