Paso 1: Exportar el fondo





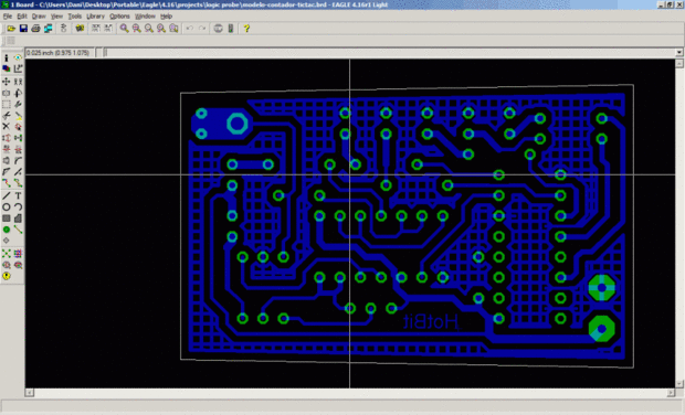
Haga clic en el icono de "Pantalla" en el águila de ojos y luego en "None" botón. A continuación, vuelva a seleccionar las siguientes capas
-Parte inferior
-Cojines
-Vias
-Dimensión
Haz clic en el botón 'Aceptar' y verá la imagen azul y verde de la capa inferior de cobre con pads y vias.
Haga clic en archivo -> Exportar y seleccione "Imagen"
Ahora marque las casillas "Portapapeles" y "Monocromo" y ajuste la resolución a 300dpi. Haga clic en aceptar
botón.