Paso 2: Poner la edición de láser cortadora electrónica juntos!




Primero se corta el cable de puerto paralelo cerca del extremo que viene lejos de su computadora. En segundo lugar Compruebe si existe continuidad. Sosteniendo un extremo del multímetro en el cable que estás buscando, compruebe toda la fila de pines uno por uno hasta encontrar la continuidad. Anote el color y el número de pin correspondiente.
Aquí está mi lista en caso de que te ayudará:
PIN # color
1 - marrón
=================
Estos pines 2-9 son los pines que van al controlador ULN2003
=================
2 - marrón raya blanca
3 - rojo
4 - roja raya negra
5 - naranja
6 - naranja raya negra
7 - amarillo
8 - amarillo rayas negras
9 - verde oscuro
=================
10 - oscura raya negro verde
11 - luz verde
12 - luz verde rayas negras
13 - azul
14 - oscura azul raya blanca
15 - luz azul
16 - luz azul raya negra
17 - púrpura
18 - púrpura raya blanca
19 - gris
20 - gris raya negra
21 - blanco
22 - blanco rayas negras
23 - rosa
24 - rosa raya blanca
25 - negro
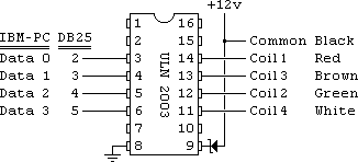
En placa de prototipado de la soldadura el ULN2003 en él con los actuales canales abajo entre sus pines. Luego tomar el alambre 2 3 4 5 desde el puerto paralelo a 3 4 5 6 pines en uno de los ULN2003. Y luego tomar el alambre 6 7 8 9 desde el puerto paralelo a 3 4 5 6 en el otro ULN2003.
====================
Para información motor paso a paso buena. He cambiado un poco su diseño, pero sí, utilizar it
====================
Desarmar el escáner y retire todo lo de adentro de él excepto las poleas la varilla, el carro de plástico y el motor paso a paso. Tomar el paso a paso motor hacia fuera y encontrar el cable de tierra. Se trata de un cable que tiene dos del mismo color. Cortar tanto desde el soporte del pasador blanco y soldarlos juntos con otro cable. Tome ese cable a pin 9 del ULN2003.
El resto de los motores paso a paso los pernos deben ir directamente //without reorganizar / / en pin 14 13 12 11 y 10 en LSN, a soldarlos en la almohadilla de vecina en la placa de prototipos.
Hacer lo mismo con los otros escáneres los cables del motor paso a paso.
Ahora traen un adaptador de 12 voltios con un 500 mA corriente y > y soldadura para la pista actual en el centro de la almohadilla del ULN2003. tomar el + y conecte con un cable al pin 9 en ambos controladores de IC. También Conecte ambos pin de 8 en el ULN2003 al - pista en la placa de prototipado que se conecta a los adaptadores - cable.
Esto completa la sección de electrónica.