Convertir una bicicleta en una bicicleta de energía (4 / 7 paso)

Paso 4: Hacer el soporte del generador

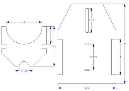
Cortar dos piezas de madera contrachapada de 1/2" para el diámetro de su generador. Cortar ranuras en la base de base por una serie de pequeños agujeros muy juntos. Un 1/8" broca también podría ser utilizada para cortar una ranura.

Encolar y atornillar los dos lados a la base de la cuna.

Artículos Relacionados

La bicicleta de energía

La bicicleta de energía

Producir energía al mismo tiempo de hacer ejercicio!¡ Saludos!Estamos explorando el uso de materiales asequibles, disponibles y técnicas básicas para crear el equipo de la aptitud de energía. La idea detrás de la bicicleta de energía es crear solucio
Cómo convertir una fuente de alimentación de X-Box 360 en un laboratorio de 12v fuente de alimentación

Cómo convertir una fuente de alimentación de X-Box 360 en un laboratorio de 12v fuente de alimentación

En este instructable mostraré cómo convertir una fuente de alimentación de X-Box 360 en una fuente de alimentación de 12v de alto amperaje. Esto es simple y sólo requiere unas pocas partes. Encontré en la tienda de 2ª mano y X-Box 360 PSU para $10 y
Convertir una fuente de alimentación en un banco de fuente de alimentación ATX que medidas actual

Convertir una fuente de alimentación en un banco de fuente de alimentación ATX que medidas actual

En este instructable voy a mostrar cómo convertir una vieja fuente de alimentación ATX en un banco de alimentación que también muestra la corriente para cada riel de voltaje en un display de LCD.Características:La fuente de alimentación utiliza una p
Convertir una fuente de alimentación ATX ordenador en una fuente de alimentación del Banco superior

Convertir una fuente de alimentación ATX ordenador en una fuente de alimentación del Banco superior

tengo unos motores de V 12 y otros sensores/electrónica que requiere en cualquier lugar de 3-12 voltios. Generalmente utiliza un paquete de baterías pero no quiso seguir a través de baterías. De prototipos, me decidí a convertir una vieja fuente de a
Convertir una pluma de alcanfor

Convertir una pluma de alcanfor

Soy una pluma turner y yo diría que soy un bastante decente. Hay muchos secretos para convertir una pluma que no se muestran en las instrucciones que vienen con su kit de pluma. Hoy te voy a mostrar cómo me volví un lápiz fino de madera de alcanfor.P
Convertir una foto en una plantilla.

Convertir una foto en una plantilla.

Usando sólo Photoshop, vamos a convertir una fotografía ordinaria en una plantilla digna imagen en pocos minutos!Estaba aburrido hoy y decidió que quería hacer un stencil. Mirando a través de mis antiguas fotos de perfil en facebook, encontré una par
Una luz de energía

Una luz de energía

una luz de energíaPaso 1: Cabeza desmontaje una frecuencia de radio Desmontaje de un cabezal de radio frecuenciaPaso 2: Hacer una luz LED hacer que un LED de luz dos led en paraleloPaso 3: montar montarPaso 4: Efecto de acabado acabado efectoLo senti
Cómo convertir una imagen dibujada de la mano en el arte de vector

Cómo convertir una imagen dibujada de la mano en el arte de vector

cómo convertir una imagen dibujada de la mano en una imagen digital.Paso 1: Paso 1. Dibujar algo dibujé un sándwich, porque son buenos bocadillos.Paso 2: Paso 2. Escanearlo Escanear tu dibujo.Paso 3: Paso 3. Ampliar opté por usar Photoshop. Más compa
Cómo convertir una foto en una Polaroid con Photoshop (concurso de Photojojo!) ¿

Cómo convertir una foto en una Polaroid con Photoshop (concurso de Photojojo!) ¿

Alguna vez se preguntó cómo podría convertir una foto digital en una Polaroid? Aquí está una manera fácil de hacerlo con Photoshop. Por favor votar si te gusta esta entrada.Paso 1: Ajustar el tamaño de la imagen Abre tu foto con Photoshop y luego uti
Una caja de energía portátil para fotógrafos

Una caja de energía portátil para fotógrafos

muchos fotógrafos han construido estilo vagabundo sistemas de energía portátil para su uso con sus luces estroboscópicas. Se trata de un intento de incorporar varias ideas de diseño y características de seguridad. La eléctrica también puede utilizars
Convertir una naranja en una vela!

Convertir una naranja en una vela!

Este es un proyecto rápido que sólo te llevará unos minutos y tiene resultados hermosos y emocionantes!Cuando termines con este instructable Asegúrese de desproteger mi canal de youtube y la Página Web de los tutoriales más impresionantes!TheBestHobb
Cómo hacer/convertir una guitarra de 6 cuerdas para una guitarra de 12 cuerdas

Cómo hacer/convertir una guitarra de 6 cuerdas para una guitarra de 12 cuerdas

un buen amigo en la escuela me preguntó recientemente si pensé que era posible convertir una cadena de 6 a 12, al principio pensé el cuello tendría que ampliarse, pero pensé que me gustaría probar. Así que aquí vas a Seb, prueba que es posible.Espero
Convertir una botella de vino en una botella de aceite

Convertir una botella de vino en una botella de aceite

este instructable le dará instrucciones paso a paso sobre cómo convertir una simple botella de vino en una botella de aceite o una botella para detergente.Paso 1: Quite las etiquetas Retire todas las etiquetas desde el exterior de botella de vino. En
Convertir una cuchara un cuchillo Spork &

Convertir una cuchara un cuchillo Spork &

este instructable le mostrará cómo convertir una cuchara de acero inoxidable barato en un spork y cuchillo. De arriba a abajo, tiene dientes de tenedor, un intestino de cuchara y finalmente el mango ha sido afilada como un cuchillo.¿La motivación? Es