Paso 1: El circuito de "Petardo"

Este es el proyecto perfecto para un principiante, ya que implica un solo chip y un par resistencias "pull down".
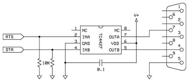
La x10 petardo no es realmente un dispositivo de "comunicación en serie" como un módem, sino más bien acepta datos desde el microcontrolador por secuencias del pedacito de la lectura de las líneas DTR/RTS. La hélice puede fácilmente enviar datos sobre estas líneas con un nivel de TC4427-palanca de cambios.
Jon McPhalen (foros de paralaje) subió con este impresionante circuito.
Hay unos programas de demostración diferentes que permiten que el módulo de petardo que es controlado por la hélice utilizando un terminal serial:
De Jon McPhalen: JM_Firecracker_Demo
De Ron Czapala: FC_Demo
Ambos de estos programas de demostración simple son excelentes ejemplos de lo que es posible con unas pocas líneas de código de vuelta de la hélice.













