Controlador de pantalla de Linkit uno de desplazamiento (1 / 3 paso)

Paso 1: Legado interfaz Serial

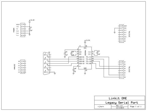
Hice una tarjeta interfaz serial simple Linkit uno. He utilizado un chip Max232CPE y 5 condensadores de 1uF pequeño al igual que el estándar de prueba de configuración en la hoja de datos.

El código es bastante simple. Tengo que averiguar si el Linkit puedes hacer llamadas UDP y no necesito mi computadora. Ahora mi Macbook funciona UT consulta y envía los datos a la pantalla.

El SMS debe ser fácil pero mi Sim no registrado. Apenas lo consegui y hay que ver si su reconocido por el Linkit.

Artículos Relacionados

L298 (controlador del Motor) y Linkit uno

L298 (controlador del Motor) y Linkit uno

En este instructable voy a mostrarle cómo utilizar un Linkit uno para control de motores, este proyecto es para personas que desean construir sus propios robots utilizando Linkit uno o tienen un par de motores más que desea controlar. Para este proye
DIY Xbox 360 controlador receptor LinkIt uno

DIY Xbox 360 controlador receptor LinkIt uno

En este Instructable, le dirá cómo hacer un receptor regulador de Xbox 360, para conectar su controlador de Xbox 360 a tu PC para jugar juegos.Para hacer esto, usted necesitará los siguientes elementos:Tablero de ROL Xbox 360 phatLinkIt uno y su cabl
LinkIT uno - Home automatización con Bluetooth controlador Android App

LinkIT uno - Home automatización con Bluetooth controlador Android App

Todas las opciones se cuentan con los teléfonos inteligentes. Los teléfonos inteligentes hacen muy fácil nuestro trabajo y nos hacen perezoso. Vuelta y apagar electrodomésticos, teléfono inteligente con diente azul es en el mercado, pero costo alto.
Pantalla del Nokia 5110 LinkIT uno

Pantalla del Nokia 5110 LinkIT uno

En este Instructable, mostraré cómo conseguí una pantalla Nokia 5110 con el controlador de PCD 8544, trabajar con el ONE de LinkIt. Esto puede utilizarse en muchos proyectos diferentes, como para mostrar la salida de los sensores (temperatura, etc.)
Pantalla de 7 segmentos con linkit uno

Pantalla de 7 segmentos con linkit uno

Hola,En este tutorial os voy a contar acerca de visualización de 0-9 dígitos de 7 segmento visualización mediante display de segmentos de Linkit one.7 es muy útil y eficaz para representar valores numéricos y es realmente un display de 8 segmentos de
LinkIt uno: Agregar una pantalla ePaper

LinkIt uno: Agregar una pantalla ePaper

Este instructable muestra cómo interfaz SHARP pantalla ePaper con LinkIt uno. A pesar de que hay muchos módulos arduino para módulo LCD Sharp, estoy utilizando sobres de TI LCD para este demo. Además, yo he adaptado la biblioteca LCD de Energia (prin
LinkIt uno tutoriales - #1 Hola mundo

LinkIt uno tutoriales - #1 Hola mundo

La forma más básica de Hola mundo usando microcontroladores es un LED encendiendo y apagando.Sobre un lote de microcontroladores hay al menos un usuario LED controlable a bordo.Hay una serie de requisitos previos antes de que podemos convertir el LED
Introducción a LinkIt uno - parpadear un LED

Introducción a LinkIt uno - parpadear un LED

¡Hola!¿Usted a menudo se confunden por el mundo entero de nuevas tarjetas y tecnología que siguen llegando cada pocos meses?¿A menudo busca en google para hacer sentido de todo esto?¿Estás dispuesto a hacer proyectos realmente impresionantes pero no
Introducción a LinkIt uno - LEDs

Introducción a LinkIt uno - LEDs

Recientemente recibí una LinkIt una tabla es una gran alternativa para un Arduino con un montón de características en un paquete pequeño. Tiene un a bordo WIFI, GPS, Bluetooth, GSM, Micro SD ranura para tarjeta y un jack de 3,5 mm para audio. El Uno
LinkIt uno Ultimate IoT

LinkIt uno Ultimate IoT

Si siempre han sido a los Emiratos Árabes Unidos en el verano, probablemente sabrás sobre el calor allí. Pero cuando estás dentro, en tu casa o habitación, y el acondicionador de aire está encendido, no se siente el calor en todos.Ahora imagina que t
Hablan de LinkIt uno tutoriales - #3 a dispositivo externo

Hablan de LinkIt uno tutoriales - #3 a dispositivo externo

Espero usted seguido mis anteriores dos tutoriales uno de LinkIt y todo funcionó bien.Para este tutorial vamos a conectar un dispositivo externo (en este caso un LED (diodo emisor de luz)) a la Junta un LinkIt.Esto demostrará a controlar dispositivos
Uso de Cortana para controlar su LinkIt uno!

Uso de Cortana para controlar su LinkIt uno!

IntroducciónHay nueva tecnología alrededor de nosotros y solamente más que todos los días. Los micro controladores son cada vez más rápido, son teléfonos que más inteligente, y la nube es cada vez más fuerte. Con esta nueva tecnología todos se pregun
LinkIT uno-ver todos los datos analógicos usando hotspot Wi-Fi móvil

LinkIT uno-ver todos los datos analógicos usando hotspot Wi-Fi móvil

Tan en proyectos de micro-controlador vemos los valores de los sensores en pantallas LCD y LED. Su poco aburrido y muy complicado para soldar los cables y comprobarlo. Tan con el uso de Link uno es muy fácil ver el sensor de los valores y resultados
Geocercas con el Mediatek LinkIT uno

Geocercas con el Mediatek LinkIT uno

Así que quería jugar con mi MediaTek LinkIT uno,lo primero que estaba entusiasmado fue el GPS a bordo, así que sin un previo aviso de momentos, quería crear una Geocerca.Una geocerca es un término usado para describir una cerca virtual alrededor de u