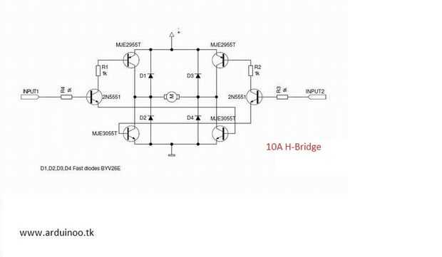
Controlador de Motor de 10A h-novia.

  • Salidas 1 y 2 se encuentran en el medio del circuito puente H, estas conexiones de la alimentación en uno de los bloques de terminales duales, que conecta con el motor de corriente continua. Es en estos puntos de salida de 1/2 donde poder voluntad flujo para conducir el motor.
  • En primer lugar, usted necesita entender cómo funciona el puente H expresaron. La siguiente sección muestra donde proviene y cómo funciona. La segunda cosa que usted necesita comprender es los diferentes tipos de transistores de potencia disponibles y Cuándo utilizar qué tipo.

Ver más del proyecto http://arduinoo.tk/Project

Ver proyecto completo http://h-bride.arduinoo.tk/h-bridge.htm

Artículos Relacionados

Controlador de Motor DC

Controlador de Motor DC

Este simple controlador de motor DC permite un control de motor la dirección y ha sido construida completamente de componentes eléctricos reclamados. Uso de MOSFET para control del motor en lugar de chips de control, permite una fuente de alimentació
Módulo del controlador del motor

Módulo del controlador del motor

Hola chicos.Este es mi primer Instructable, espero que te guste.En este Instructable voy a mostrarte cómo hacer a un controlador de motor módulo por sólo $1 y pocos bukos. Es muy fácil, pero todo lo que necesitas es algunos conocimientos básicos de s
Caseros 100 HP controlador de Motor de un coche eléctrico

Caseros 100 HP controlador de Motor de un coche eléctrico

este instructable explica cómo construir su propio controlador de motor de 100 HP (pico) para su uso en una conversión de coche o moto eléctrica.  Puede tomar cualquier voltaje hasta 144v, y la corriente máxima es de 500 amp.  El costo de los compone
Circuito controlador de motor de $1 para Arduino

Circuito controlador de motor de $1 para Arduino

La historia de este escudo del motor es que yo quería hacer un robot para mi sistema controlado por ondas cerebrales multifuncional y decidí compartir esto con ustedes. Es un circuito muy simple utiliza el CI L293D que es un controlador de doble puen
Fácil controlador de Motor DC

Fácil controlador de Motor DC

si usted está construyendo un robot u otro gadget de microprocesador, tendrá que conducir motores hacia delante y hacia atrás. En este instructable, te demuestro un circuito simple y de bajo costo que controla un motor DC de dos pines de I/O. No se r
BaW-Bot parte 2: Construir el controlador de motor y cuerpo

BaW-Bot parte 2: Construir el controlador de motor y cuerpo

esta es la segunda parte de nuestra fabricación de BaW-Bot (Bot de campanas y silbatos) – 5 Separe instructables que mire de diferentes tecnologías relacionadas con Arduino, combinan para crear un Bot con todas las campanas-y-silbidos.Parte 1: Constr
Simple, barato de controlador de Motor

Simple, barato de controlador de Motor

He usado este simple circuito varias veces para motores (como en mi robot escalera escalada) así como solenoides. Inicialmente elegí lo de este instructable que se centra en el control de un solenoide. Quería aislar este circuito en su propio Instruc
Blindaje de un controlador de Motor de Sabertooth

Blindaje de un controlador de Motor de Sabertooth

construcción de Robot con el controlador de Motor de Sabertooth 2 x 60. Paso uno: consejosPaso 1: Este sencillo instructivo que ahorrará un poco de problemas al trabajar con un controlador dimensión Engineering Sabertooth Motor. Será el primero de un
Controlador de Motor DC para la bicicleta eléctrica

Controlador de Motor DC para la bicicleta eléctrica

diseñé este controlador para mi motor del eje Crystalite gorrión 48V bicicleta eléctrica.  La función principal de un controlador de motor DC es periódicamente lee la posición del acelerador y ajusta la corriente se suministra al motor.  Esto logra c
Cómo utilizar el controlador de Motor L293D - Arduino Tutorial

Cómo utilizar el controlador de Motor L293D - Arduino Tutorial

El L293D es un IC de controlador de Motor de 16 pines que puede controlar un conjunto de dos motores al mismo tiempo en cualquier dirección. El L293D se diseña para proporcionar bidireccional corrientes de impulsión de hasta 600 mA (por canal) en ten
Arduino Uno y Visuino: controlar Robot coche Smart con Joystick y L298N controlador de Motor

Arduino Uno y Visuino: controlar Robot coche Smart con Joystick y L298N controlador de Motor

Que coche elegante se establece cuando se combinan con Los módulos de controladores Motor L298N, ofrecen una de las maneras más fáciles de fabricar coches robot. El Módulo del controlador Motor L298N es fácil de controlar con Arduino, y con la ayuda
Arduino + controlador de motor integrado L298

Arduino + controlador de motor integrado L298

Un regulador del motor es un dispositivo que sirve para gobernar de alguna forma predeterminada el rendimiento de un motor eléctrico. Un controlador de motor puede incluir un medio manual o automático a partir de parada del motor, selección de rotaci
Tablero de controlador L298N controlador de Motor

Tablero de controlador L298N controlador de Motor

Una guía sobre cómo usar el tablero de regulador controlador L298N Motor, esto es un controlador de motor dual que le permite controlar la dirección y velocidad de dos motores DC o un motor paso a paso.La tarjeta de controlador L298N Motor Driver es
II GOduino = Arduino + controlador de Motor L293D Velocidad Variable

II GOduino = Arduino + controlador de Motor L293D Velocidad Variable

versionesGOduino II fue presentado en dangerousprototypes.com07/04/2012 he añadido una diapositiva del presupuesto para aquellos lectores que preguntaban donde obtuve mi presupuesto < $20 para el II de GOduino.INTRODUCCIÓNEl GOduino II es un controla