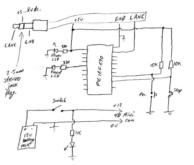
Paso 2: El diagrama del circuito del

El circuito es muy básico.
-El PIC se alimenta directamente del cable LANC.
-La Minicam es alimentado de una batería de 12 voltios a través de un interruptor
-Hay 2 botones para el registro y parada
-3 LEDs se utilizan para mostrar el estado de la cámara
Conexiones del PIC:
Ra0 - LANC de la cámara
RB7 - registro LED
RB4 - botón de grabación
RB5 - botón de parada
(Por favor nota, paso 4 es una actualización de este circuito, el LED de alimentación está conectado a RA5 y hay un código fuente diferente)