
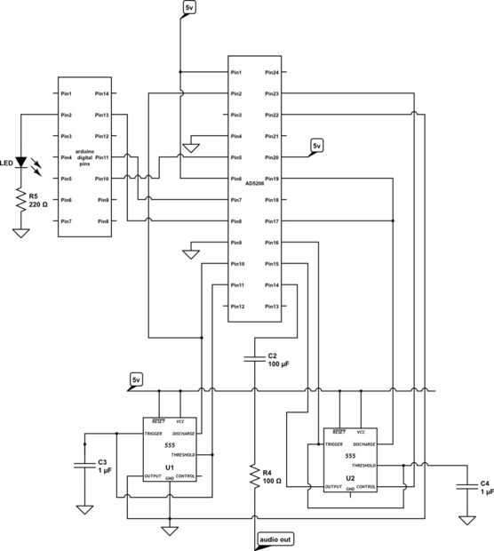
Las piezas requeridas incluyen:
• Sin soldadura breadboard
• Un montón de cables de conexión
• Arduino
• AD5206
• 2 x 7555 temporizadores
• 2 x 1μF condensadores
• 100µF condensador
• 1kΩ resistencia
• 220Ω resistencia
• LED
• Las conexiones de salida de audio
• adicional condensadores y resistencias para los filtros si se necesita/desea.
Necesita medios de generación y transmisión de mensajes de control MIDI continuo.
Si haciendo esto con una interfaz de hardware MIDI, necesita el un conector MIDI (din de 5 pines) y un resistor de 220Ω adicional.
Ver http://arduino.cc/en/Tutorial/Midi para más encendidos conexiones de MIDI con Arduino