Paso 5: Conecte el conector Final




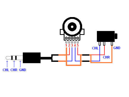
Ahora la soldadura desde el lado de salida del potenciómetro de Control de volumen para el jack hembra de 3,5 mm.
Recuerde:
CHL conexión corresponde a la punta
Conexión de CHR para la banda media
Conexión de GND a la banda más grande.
Un poco de reflexión sobre los potenciómetros de Audio; en realidad no son lineales en operación sino logarítmica. Nuestros cerebros realmente interpretan sonido logarítmica (por eso la audiencia de pruebas se miden en decibelios) por lo que la resistencia de control del volumen se debe ajustar logarítmico en orden para la variación en el volumen para que suene suave para nuestros oídos.