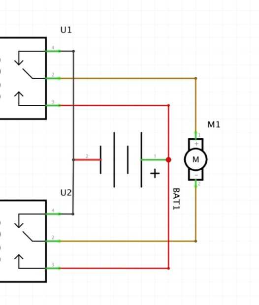
Paso 2: Conectar el módulo de relé + motor



Conexión de los cables para el motor y el relé
motor + o--> relé 1 comm pin
motor - o + -> pin de comm de relé 2
alimentación externa (9v) de la fuente + -> NO de relé 1 y relé 2 NO
fuente de alimentación externa (9v)--> NC del relé 1 y relé 2 NC
Módulo de relé VCC -> arduino 5v
Módulo de relé GND -> GND de arduino
Módulo de relé 1 -> arduino pin # 7
Módulo de relé IN2 -> arduino pin #13
Esto fue cubierto en el Instructable anterior donde conectamos la batería de 9v para el motor DC. En este proyecto, usaremos los sensores izquierdos y derecho para controlar la dirección del motor.
A diferencia de la anterior Instructable, en 1 es conectado al pin digital #7 mientras que en la 2 todavía está conectado al pin digital 13 #