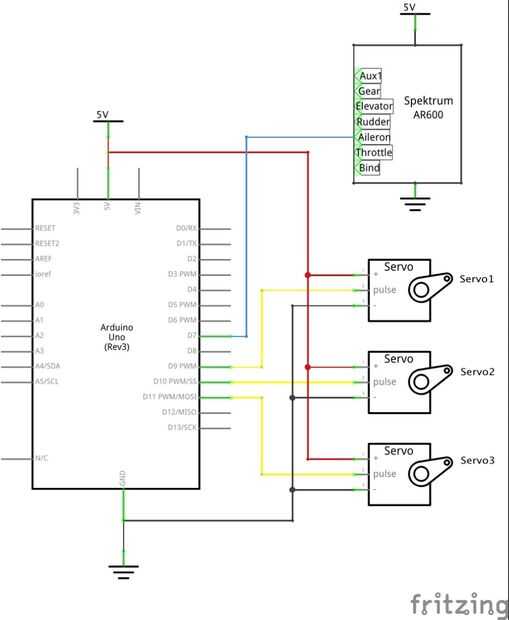
Control de Servos con Arduino y receptor/transmisor de RC (1 / 2 paso)

Paso 1: cableado

Artículos Relacionados

Arduino Nano y Visuino: Control de servos con codificador rotatorio

Arduino Nano y Visuino: Control de servos con codificador rotatorio

Hay un montón de Instructables que Servo control con potenciómetro, sin embargo a veces es útil controlar con un Codificador rotatorio. En este Instructable, les mostraré lo fácil que es implementar esto con la ayuda de Visuino - un ambiente de desar
Arduino: Control de servos con botones

Arduino: Control de servos con botones

Mientras que hay un montón de tutoriales sobre cómo control de Servos con palancas de mando y sensores analógicos, a veces queremos controlar un servo con botones.Aquí es una manera realmente fácil y rápida para ello, con la ayuda de Visuino - un amb
Cómo construir RC 433 MHZ para control de servos (100% Arduino)

Cómo construir RC 433 MHZ para control de servos (100% Arduino)

¡ Hola chicos!Hay mi solución para omitir número de temporizador (servo y Marc alambre virtual).Debido al número de temporizador que tenía, decidí omitir añadiendo un tercer arduino.Es la forma en que funciona:-El transmisor comprueba entradas y envi
Sistema de seguridad y Control de acceso con Arduino y RFID

Sistema de seguridad y Control de acceso con Arduino y RFID

sistema de seguridad y Control de acceso con Arduino y RFIDEste proyecto es un evolotuin de mi primer proyecto llamado "Arduino – sistema de seguridad y acceso Control"Como se puede ver en el http://arduinobymyself.blogspot.com.br/2012/03/arduin
Control de Motor con Arduino

Control de Motor con Arduino

Control de motores con Arduino puede ser complicado.En primer lugar, los motores necesitan más actual que la producción de qué Arduino pueden suministrar pernos. También motores pueden generar su propia corriente a través de un proceso llamado inducc
Control de LED con Arduino Bluetooth y Android. (Parte 1)

Control de LED con Arduino Bluetooth y Android. (Parte 1)

Este instructable es un simple tutorial explicar cómo controlar un LED mediante Bluetooth de Android.Se necesita:Arduino UNOResistencias 300Ω (x 3)Resistencia 150ΩLEDPuentes;Módulo de Bluetooth (HC-06/otros);Teléfono Android;Bluetooth Apk SPP (Lite s
Arduino Nano y Visuino: Control de Servos con Joystick

Arduino Nano y Visuino: Control de Servos con Joystick

Controlando Servos conectado a Arduino con Joystick es muy común. Con la ayuda de Visuino, un entorno de desarrollo gráfico fácil de usar para Arduino, lograr esto nunca ha sido tan fácil!Tenga en cuenta que la anotación en algunas de las fotos en es
Arduino: Control de servos con controlador de PS2 (programa con Visuino)

Arduino: Control de servos con controlador de PS2 (programa con Visuino)

En este Instructable aprenderá a programar el Arduino para controlar el motor Servo de un control de Play Station 2 con la ayuda de Visuino - un ambiente de desarrollo gráfico fácil de usar para Arduino.Tenga en cuenta que la anotación en algunas de
Cómo utilizar el control remoto IR con Arduino (actual y actualizada)

Cómo utilizar el control remoto IR con Arduino (actual y actualizada)

Estoy cansado de estos complicados tutoriales sobre cómo hacer ciertas cosas. Me gusta simple, fácil de entender, las instrucciones paso a paso. Mi mayor problema era con IR y POV *. Yo finalmente he dominado cómo controlar mi proyecto con cualquier
Control de MeArm con Arduino

Control de MeArm con Arduino

En este Instructable le mostrará dos maneras de controlar su MeArm, primero es con arduino solo y segundo wil necesita 4 potenciómetros.Paso 1: materiales 1. MeArm2. Arduino o cualquier clon de ella3. 4 potenciómetros4. Protoboard y puentes o los cab
Control de Servo con auriculares

Control de Servo con auriculares

Esta idea empezó con este instructable. En él, RichMethods explica bien cómo funcionan los auriculares. Su explicación me hizo darme cuenta que es posible controlar hasta dos servos con un auricular jack. No Arduino, PIC o cualquier microcontrolador
4 proyecto de simple Servo con Arduino

4 proyecto de simple Servo con Arduino

Lo que usted necesita1. Arduino o clon de Arduino2. 9 gram Servo3. sobre los cables de macho a macho de 12-204. 2 pote (potenciómetros)5. las bibliotecas de VarSpeedServo.h y servo.h.6. Si desea puede hacer un escudo de servo para hacerlo un poco más
Control de servo con un Sensor de flexión de la curva

Control de servo con un Sensor de flexión de la curva

Este Instructable es demostrar cómo controlar un servo con un sensor de flexión de la curva. También una posible aplicación para tal configuración.MaterialesArduino unohttp://www.adafruit.com/products/50 $24,95Cable de núcleo sólidohttp://www.adafrui
Cómo controlar el motor servo con arduino y la ventana de monitoreo serial

Cómo controlar el motor servo con arduino y la ventana de monitoreo serial

Un servomotor es un actuador que permite un control preciso de posición angular, velocidad y aceleración. Consiste en un adecuado motor acoplado a un sensor de retroalimentación de posición. También requiere un controlador relativamente sofisticado,