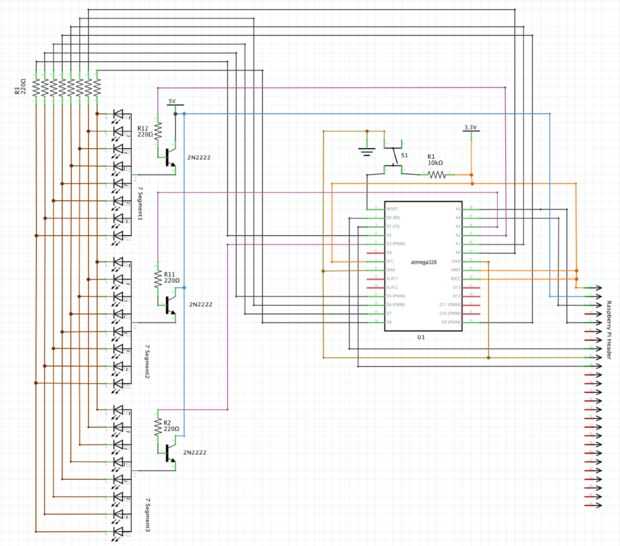
Paso 2: Esquemas/conexiones

Lo que está conectado con el 328 en nuestra construcción:
- Resistencia de 10K + 3, 3V / interruptor GND
- Pin de RPi TXD 8
- Pin RXD RPi 10
- Dp de LED -> pin 8 resistencia de inmersión
- Resistencia base de LED seg 3 transistor
- NC
- + 3.3V
- TOMA DE TIERRA
- NC
- NC
- LED g -> resistencia de inmersión del pin 7
- C LED -> resistencia de inmersión de perno 3
- F de LED -> resistencia de inmersión pin 6
- LED un -> pin 1 resistencia de inmersión
- LED e -> resistencia de inmersión pin 5
- NC
- NC
- NC
- NC
- + 3.3V
- + 3.3V
- TOMA DE TIERRA
- LED b -> resistencia de inmersión de pin 2
- LED b -> resistencia de inmersión pin 4
- Resistencia base de LED seg 1 transistor
- Resistencia base de LED seg 2 transistor
- Pin SCL RPi 5 (opcional)
- Pin SDA RPi 3 (opcional)
Esquemas originales esto se basa en: esquemas AVR 32 Original pin