Paso 4: Esquemas - contador de monedas circuito 1C, 5C, 10C


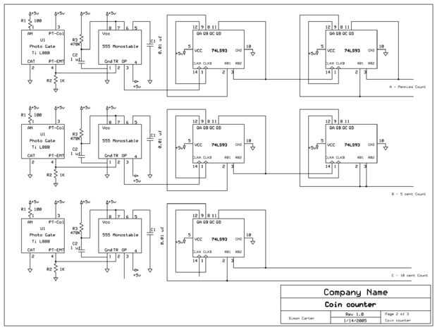
Cuando un centavo a través de opto-puerta U1, se genera un pulso en el pin 4 que dispara el 555 chip via pin 2. En la foto se puede ver la puerta debajo de la ranura de moneda. También he añadido un LED (otra vez no se muestra en el esquema) que sólo está conectado con una resistencia a + 5V y GND. Esto sólo el vaso se ilumina por la noche y hace frío. El 555 es configurado como un monoestable ya que cuando la moneda cae a través de la puerta de opto genera un pulso de ruido (como interruptor rebote) que pueden desencadenar el contador varias veces. Con el monoestable solamente un pulso limpio es enviado al contador 74LS93 y esto filtra cualquier falsa alarma. También puede usar un chip de monoestable 74LS121 o 74LS123 aquí, pero he usado 555 porque tenía un montón de ellos en mis fuentes.
El pulso de la 555 relojes el 74LS93 que cuenta hasta 10 y luego se reinicia y relojes el 74LS93 siguientes una vez. Así que hay al reloj la primera 74LS93 100 veces antes de la segunda 74LS93 restablece y relojes el contador principal (en el primer esquema). El contador de diez centavos funciona de la misma manera pero sólo tiene que contar hasta diez como hay diez en un dólar. El contador de cinco centavos está diseñado para contar hasta 20 como 20 en un dólar y así sucesivamente.













