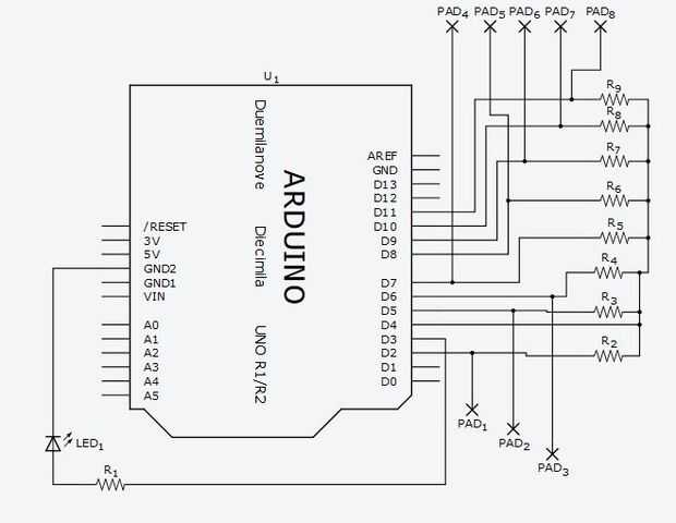
Paso 2: Diagrama del circuito



En el diagrama del circuito (imagen 1) conectan
1 LED es LED IR.
Resistencia R1 es de 100 ohmios.
Resistencia R2, R3, R4, R5, R6, R7, R8, R9 es de 100K ohmios.
Antes de usar el touch papeles bosquejo los pedazos de papel con lápiz (muy oscuro).
luego conecte las piezas al circuito como se muestra en la figura segunda.
en el diagrama del circuito
COJÍN 1 es canal disminución del papel
2 en el teclado es canal aumento de papel
3 es pieza de papel de control de menú de TV
COJÍN 4 es botón Aceptar papel
COJÍN 5 está encendido (ON/OFF) trozo de papel de control de la TV
PAD 6 es el pedazo de papel de aumento de volumen
PAD 7 es pieza de papel de selección de fuente de entrada de TV
PAD 8 es pedazo de papel de disminución de volumen