Paso 1: El diseño



He encontrado un altavoz edificio a amigo que pasó a vivir en mi barrio. La primera vez que fui a su casa tenía una variedad de línea con 9 motores de tres pulgadas por lado y 9 altavoces pequeños. Esto me recordó sobre los 16 que tenía en mi garaje. Después de escuchar a su yo sabía que necesitaba para poner mi drivers a buen uso. Dave sugirió que sincronizarlos para arriba con un tweeter de diferentes que él utilizó. Utiliza un tweeter de cúpula de ¾ pulgadas y recomienda el mismo conductor que tenía una cúpula de 5/8 de pulgada. Había utilizado este altavoz de agudos en un par otros proyectos y les ha gustado.
Tenía 16 de estos:
y ordenado 16 de éstos para utilizar como mi tweeter:
Dave tenía experiencia con diseño de altavoz, después de medir mis woofers poco había diseñado un gran cruce. Con 8 conductores opté por alambre de 4 en paralelo y luego los dos conjuntos de conductores en paralelo en serie me da aproximadamente una carga de 4 ohmios. Esto fue tomado en cuenta para el diseño de crossover. Ver el gráfico de respuesta de frecuencia teórica.
Lista de partes:
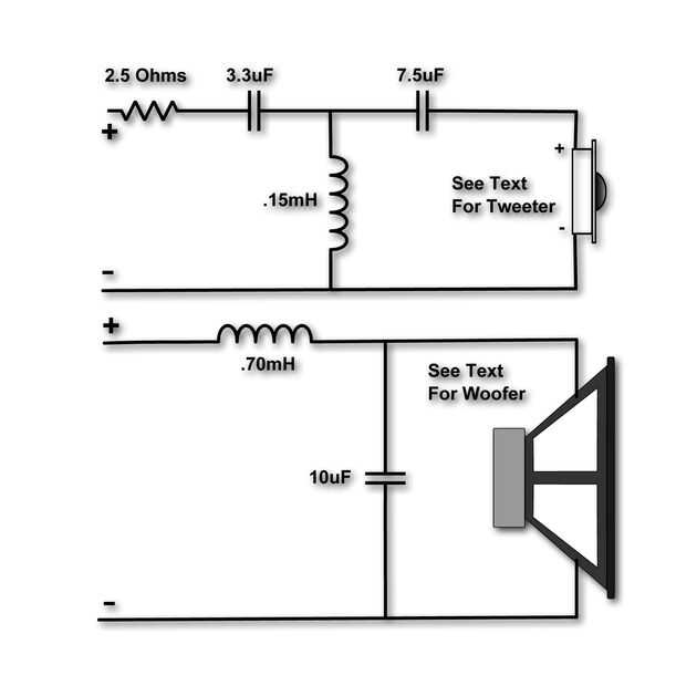
Piezas de cruce (para dos altavoces:)
(2) 2,4 Ohm Resistor
(2) 3.3 uF Capacitor
(2) 7.5 uF Capacitor
(2) 10 uF Capacitor
(2).70 mH Inductor
(2).15 mH Inductor
Piezas de gabinetes (para dos altavoces:)
Contrachapado de abedul de ½"
(2) parte delantera del Panel 7 "X 34"
(2) parte posterior del Panel 7 "X 34"
Contrachapado de abedul de ¾"
(4) superior e inferior 3 X 5,5 pulg.
(4) lado paneles 3 X 34 pulg.
Varios
cable de calibre de 20 pies de 18 negra
cable de calibre de 20 pies de rojo 18
Semi lustre poliuretano
Tinta para madera
Papel de lija
Tornillos de montaje para los conductores de 3"
Una bolsa de Polietileno relleno para actuar como aislamiento acústico en el gabinete
Tornillos de montaje para la parte trasera.
Cinta eléctrica o calor tubería de encogimiento de
Herramientas
Taladro de columna
Soldadura de hierro
De la soldadura
Lijadora orbital
Pistola de pegamento caliente (con un montón de pegamento!)
Pinzas de madera
Pegamento para madera
Screw Driver
Para el gabinete elegí contrachapado de abedul de 13 capas. En el área de Dallas puedes encontrarla aquí. Quería que la matriz de la línea a ser pequeño y compacto. Y fácil de construir con las herramientas que tengo. Dibujé el panel frontal en inkscape (programa de dibujo de código abierto gran!) Porque los altavoces de agudos eran tan pequeños que decidí solo taladre un agujero del tamaño adecuado y luego pegar al conductor en color para el panel frontal. Experimentó con un orificio de 1 ¼" y un orificio de 1 3/8" y terminó ordenando un 1 5/16" forstner bit de aquí que era justo.