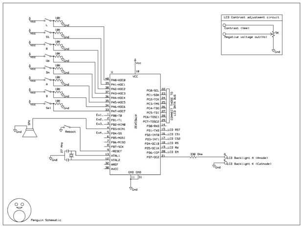
Paso 2: esquemático

Podría tener problemas de comprensión, así que aquí están algunas explicaciones:
El rectángulo que se ve en la parte superior derecha conrner explica cómo conectar el Vo y Vee (pernos de contraste) en el GLCD, con una resistencia variable de 5K, para ajuste de contraste.
El texto de EX cerca de algunos pines PORTB significa que se puede utilizar como un puerto de expansión. Sólo conéctelos a los pines.
Los pernos PORTC ir en contacto directo con DB0... DB7 en el GLCD
PORTD1-PORTD6 tienen algún texto cerca de ellos. Ese texto muestra con qué pin en el GLCD para conectar las clavijas. Por ejemplo, el pin Enable en la GLCD se conectará al puerto D Pin número 6 y así sucesivamente. Reffer a la hoja de datos de la pantalla de LCD para pinout.
PORTD7 está conectado a una resistencia de 330 Ohm y entonces en A pin en el GLCD (ánodo del contraluz del LED). El pin de K en el GLCD (cátodo de LED luz de fondo) está conectado a tierra.













