Construcción de una bobina de tesla de estado sólido (5 / 12 paso)

Paso 5: El interupter

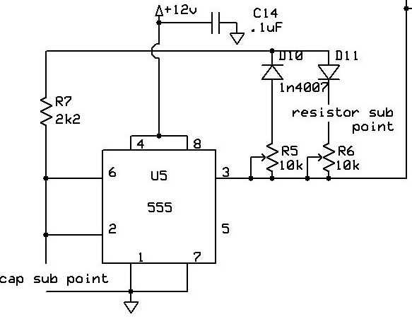
a continuación, nos desplazamos hasta el interruptor. Esta es la parte que se convierte la bobina de encendido y apagado. (necesitamos limitar el antiguo para que totalmente no desgastan de los mosfets. La razón por la que hemos elegido para hacer esta parte antes que el resto (después de la alimentación) es para que podamos probarlo antes de finalizar cualquier conexión para encender la bobina.
PARTES:
********************************
0,1 μF condensador de desacoplamiento
NE555
potenciómetro lineal 10KΩ (X2)
1N4007 diodo (X2)
2.2kΩ resistencia
Condensador μF 0.1 (esto realmente puede ser cualquier valor que te gusta, que simplemente altera la velocidad de aparición/interruptor de arco).
*********************************

Artículos Relacionados

Cómo hacer una bobina de Tesla de estado sólido de Musical (SSTC) que toca la guitarra!

Cómo hacer una bobina de Tesla de estado sólido de Musical (SSTC) que toca la guitarra!

Este es mi primer sólido estado bobina de Tesla (SSTC), que creo que resultó bastante bien! Mi intención era más hacia ella tocando música en lugar de chispas enormes, pero tengo unos 6 en chispas de él también que es un bono.El objetivo de este inst
Bobina de Tesla de estado sólido

Bobina de Tesla de estado sólido

un bobina de Tesla de estado sólido es uno de los tipos de bobinas de Tesla disponibles. Tiene varias ventajas sobre la bobina de tesla de boquete de chispa más común. Son menos más fuertes que la convencional bobinas de Tesla, pero que todavía puede
Construcción de una bobina de Tesla en 9 sencillos pasos!

Construcción de una bobina de Tesla en 9 sencillos pasos!

Durante el verano pasado construí bobinas de Tesla dos. El primero de ellos no funcionaba, así que empecé a construir éste. Este instructable describirá los pasos.Antes de comenzar, creo que es necesario repasar algunas normas de seguridad. Por favor
Video de Kickstarter de bobina de Tesla de estado sólido de audio modulada

Video de Kickstarter de bobina de Tesla de estado sólido de audio modulada

de BATEC Audio modulada sólido estado bobina de Tesla video de proyecto de Kickstarterhttp://www.Kickstarter.com/projects/1080150225/audio-Modulated-Full-Bridge-SSTC?Ref=emailNuestro objetivo es construir un Audio modulada puente completo sólido esta
Bobina de Tesla de estado sólido de audio modulada

Bobina de Tesla de estado sólido de audio modulada

aquí hay un video de mi nuevo SSTC, esta prueba es sólo de 24 voltios y su ya más de una pulgada de largo, que va a ser mucho más impresionante a plena potencia.Aquí tenéis un vídeo de la bobina en modo de la modulación de audio de 90 voltios (esto e
Construir y una bobina de Tesla Musical de MONSTER con un microcontrolador del código

Construir y una bobina de Tesla Musical de MONSTER con un microcontrolador del código

visita mi página de youtube para más proyectos: http://www.youtube.com/channel/UCksEFn8xaLP0z4rsiHa9zcA?feature=mheeComo suben los meses de invierno, muchos se obligado a permanecer en el interior... Para muchos, esto significa jugar scrabble con la
Cómo construir una bobina de Tesla del boquete de chispa (SGTC)

Cómo construir una bobina de Tesla del boquete de chispa (SGTC)

Shoot pies de largo tornillos de iluminación a través del aire, luz tubos fluorescentes sin cables y sus otros experimentos de alto voltaje con la ayuda de esta bobina de Tesla tamaño de mesa de energía! Una vez que han llegado las partes, viene junt
Quimera: Una bobina de Tesla de baja tensión o 'Slayer excitador'

Quimera: Una bobina de Tesla de baja tensión o 'Slayer excitador'

De Tesla famoso aire-núcleo del transformador, la bobina de Tesla, asocia con razón ardiente arcos, estrellarse boquetes de chispa y alta tensión. El punto entero de la bobina de Tesla era servir como una fuente de alto voltaje, electricidad de alta
¿Cómo construir una bobina de Tesla de tubo de vacío (VTTC)

¿Cómo construir una bobina de Tesla de tubo de vacío (VTTC)

no puede encontrar un transformador de señal de neón? ¿Quieres construir tu primera bobina Tesla sin tener que enfrentar las complejidades de pasar de estado sólido? Aquí es una buena noticia: bobinas de Tesla de tubo de vacío, que han estado haciend
Cómo construir una bobina de Tesla

Cómo construir una bobina de Tesla

este instructivo le guiará a través de una bobina de Tesla de tamaño medio.Paso 1: peligro a diferencia de algunos otros experimentos de alto voltaje, serpentinas de la bobina de Tesla pueden ser muy perjudiciales. Si se sorprendió por las banderolas
Una bobina de Tesla de cantar - parte 1/3 - la bobina sí mismo

Una bobina de Tesla de cantar - parte 1/3 - la bobina sí mismo

En este tutorial, quiero escribir y compartir un proyecto impresionante que hicimos en nuestra escuela, una bobina de tesla, que puede hacer música. Te explico cada paso en detalle, por eso la gente que no tiene experiencia con bobinas de tesla o pro
Paso a paso los planes para construir una bobina de Tesla de 250.000 voltios. (VERSIÓN REVISADA)

Paso a paso los planes para construir una bobina de Tesla de 250.000 voltios. (VERSIÓN REVISADA)

En este proceso paso a paso voy a explicar1. Cómo funciona una bobina de Tesla del boquete de chispa.2. las piezas que se necesita.3. el precio de cada parte.4. seguridad.Paso 1: Las piezas que necesita. Las piezas que se necesita para construir una
¿Pueden las chispas de una bobina de tesla asar malvaviscos?

¿Pueden las chispas de una bobina de tesla asar malvaviscos?

¿Pueden las chispas de una bobina de tesla asar malvaviscos?(Cautionary note - tuvimos un experto en el grupo para ayudar con los problemas de seguridad).Paso 1: Diagrama dePrimero un diagrama de lo que estamos construyendo.Paso 2: La bobina de la bo
Cómo hacer una bobina de tesla sgtc

Cómo hacer una bobina de tesla sgtc

Hola mostrará u cómo hacer una bobina de tesla del boquete de chispa (sgtc)Paso 1: ADVERTENCIA En primer lugar me gustaría advertirle sobre los peligros potenciales de alta tensión 15Kv en 30ma me he sorprendido a 30Kv a 25ma yte digo que duele.Paso