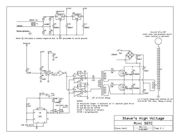
Paso 1: El Resumen

Lamentablemente, actualmente no puedo poner los pasos para enrollar la bobina secundaria, pero le puse un insuperable tan pronto como sea posible. Pero por lo general, lo que tienes que hacer viento apretado muchas vueltas de alambre del imán alrededor de una forma de pvc. No lo hacen demasiado alto. Una buena relación para la altura es la altura de 3 a 5 veces el diámetro.
De todos modos, lo que sacará de esta bobina es aproximadamente de 7 a 8 pulgadas chispas. (Dependiendo de cómo se establezca el interruptor) Voy a ir sobre esto más adelante, pero por ahora, que es lo que puede esperar. Confía en mí, tendrás diversión.
EDIT: Ese símbolo de misterio aparece porque instructables no puede manejar el símbolo μ y Ω en las fotos. vaya figura! Aquí funciona así.