Paso 8: electrónica



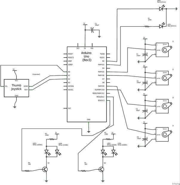
La electrónica de control de la torreta. Consiste en las conexiones servo´s, transistores para alimentar el LED y láser, un joystick a la torreta de entrada un un regulador de voltaje para convertir el voltaje de la batería a un buen 5 voltios.
Todo fue hecho en un protoboard 1: porque no tengo tiempo para hacer un circuito y 2: porque después de que termine este proyecto no creo que se hacer mucho con la torreta. He incluido un esquema cualquiera puede repetir el resultado.
Simplemente siga el esquema para conectar todos los cables correctamente a los puertos de la derecha. Alternativamente puede alambre encima de su propia manera y modificar los puertos en el firmware.
Las resistencias podrían tener un valor bastante bajo, pero de otra manera el led y láser no emiten suficiente luz. Acortará la vida un poco. Si se trata de un problema puede sustituir las resistencias de 100 ohmios para el ojo y el láser con ohmios 220 o 330 ohm.