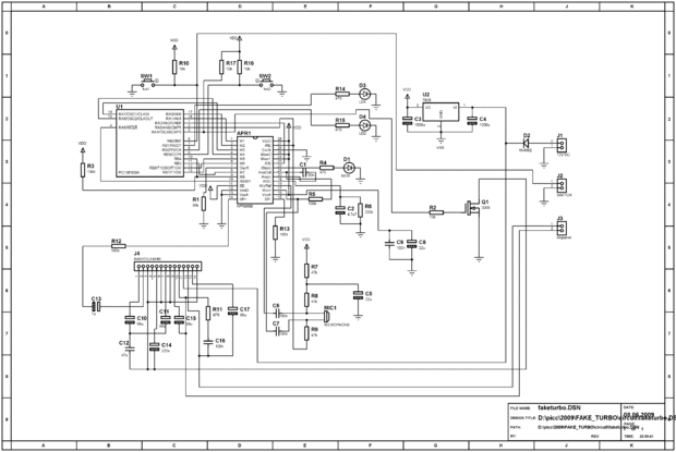
Paso 2: Esquema de circuito

El archivo de proteus, así como el circuito esquemático en formato de archivo de meta se incluye a continuación.
El archivo de proteus, así como el circuito esquemático en formato de archivo de meta se incluye a continuación.