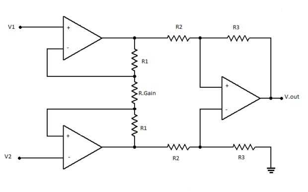
Configuración de un medidor de tensión utilizando un arduino (3 / 5 paso)

Paso 3: Crear el amplificador

Es el diagrama de circuito interno para el LM 324 amplifing chip y también el diagrama del circuito para un amplificador de instrumentación.

Artículos Relacionados

Medidor de inductancia/capacitancia/resistencia de Arduino

Medidor de inductancia/capacitancia/resistencia de Arduino

Hola tal amigos, le mostrará cómo crear una medida inductancia, capacitancia y resistencia usando Arduino más comúnmente el ATmega328P, se produce toda la programación en Arduino y componentes comúnmente encontraron en nuestro laboratorio y también s
Semáforo de seguridad: La tensión fácil, Arduino powered, luz

Semáforo de seguridad: La tensión fácil, Arduino powered, luz

este fue un proyecto de lado completé durante mi tiempo como Verano pregrado Laboratorio Becario en el laboratorio nacional de energía renovable. Recomiendo el programa. (Hice mucho más cosas que esto, pero serán papeles no Instructables :)Trabajamos
Configuración de un anemómetro de A100LK en un Arduino

Configuración de un anemómetro de A100LK en un Arduino

Nadie pensando en instalar un generador de viento, o incluso un rebaño entero de aerogeneradores, haría bien para supervisar el sitio propuesto por al menos un año entero antes de gastar un duro más en hardware. Esto es lo que el A100LK está diseñado
"A 9 grados de libertad" IMU

"A 9 grados de libertad" IMU

Estoy trabajando en un proyecto que requiere de información completo de la orientación, por lo que he construido una Unidad de medición inercial desde cero. Me gusta mucho la placa de IMU, 9DOF que hace de Sparkfun - el código de calibración que vien
Medidor de inductancia/capacitancia Saga

Medidor de inductancia/capacitancia Saga

Yo tenía un montón de bobinas al azar en algunos cajones aleatorios y quería saber qué eran los valores. Estos valores absolutamente a menudo no son evidentes al observar el dispositivo. Códigos de color para los antiguos no fueron estandardizados y
Medidor de capacitancia con el arduino y el op-amp 741

Medidor de capacitancia con el arduino y el op-amp 741

Este proyecto consiste en el diseño y construcción de un capacímetro muy simple capaz de medir capacitores del orden de unos 20 picofaradios a cientos de microfaradios.Este puede ser un dispositivo muy útil a la hora de comprobar nuestros capacitores
Agregar un medidor digital a su vieja fuente de alimentación variable analógica

Agregar un medidor digital a su vieja fuente de alimentación variable analógica

mi vieja fuente de alimentación variable comienza a tener algunas imprecisiones en la medición de voltaje con su medidor analógico de 20 años. Entonces decidí agregar un medidor digital, con el cual puedo saber exactamente el voltaje suministrado. Pu
Cómo obtener tensión perfecta en su máquina que acolcha de Longarm

Cómo obtener tensión perfecta en su máquina que acolcha de Longarm

Acolchar es divertido y fácil! Realmente, es más su tensión correcta es duro... muy, muy duro! Yo uso el HandiQuilter Avante en TechShop y este es mi método para obtener la tensión perfecta para cada edredón no importa de qué hilo, tela o guata estoy
Automatizado de configuración electroquímica

Automatizado de configuración electroquímica

esta es una guía de cómo solucionar un instrumento electroquímica para realización de voltametría cíclica y rotación técnicas de electrodo de disco. La modificación del instrumento que estoy demostrando es muy particular para un determinado instrumen
Cómo utilizar un comprobador de tensión sin contacto

Cómo utilizar un comprobador de tensión sin contacto

un comprobador de tensión sin contacto es la forma más segura para asegurarse de que la energía está apagada sin tocar los cables.Antes de abrir una caja eléctrica, usted debe:-cortar la energía a la salida en el panel eléctrico principal-confirmar q
MEDIDOR de vapor de STEAMPUNK, alimentado por ARDUINO

MEDIDOR de vapor de STEAMPUNK, alimentado por ARDUINO

esto fue creado para ser algunos eye-candy para mi cocina. Quería algo único para un espacio en blanco en mi muro y agregar movimiento, luces de blinky y mecánicas interesantes "entrañas" hizo aún mejor.En definitiva, este proyecto terminó requi
Configuración inalámbrica láser corte caja de luz a través de Bluetooth (TfCD)

Configuración inalámbrica láser corte caja de luz a través de Bluetooth (TfCD)

Este instructable muestra cómo configurar de manera inalámbrica a un Arduino UNO. La luz es controlada a través de un teléfono android a través de Bluetooth.MaterialesCircuito del hardware:Módulo Bluetooth HC-05Desplazador de nivel de lógicaCondensad
Medidor/Monitor de la PC de Nixie

Medidor/Monitor de la PC de Nixie

Siempre me ha gustado la idea de steampunk; Me gusta el viejo look de gadgets y dispositivos. Hace poco "descubrí" los tubos Nixie y, en mi opinión, van de la mano con steampunk. Así que he decidido tomarlo lento y comenzar con un esquema fácil
Configuración de topes en rampas 1.4 con firmware de Marlin - autoguiado hacia el blanco @section

Configuración de topes en rampas 1.4 con firmware de Marlin - autoguiado hacia el blanco @section

Esto va a ser a, que completa el tutorial sobre la configuración de topes en la compilación de las impresoras 3D en rampas 1.4 con firmware de Marlin.Voy a usar Pronterface/tiraje host programa para conectar mi impresora y tema comandos terminal (cód