Paso 3: Eso es él! (por ahora, de todos modos!)



Sobre lo hace. En el futuro episodios, yo puedo hacer un video sobre temas acerca de condensadores, inductores, transistores, impedancias, etc. etc. etc.. Si tienes alguna sugerencia, por favor dejarlas en los comentarios! Sin embargo, debido a las limitaciones de tiempo, otros proyectos en las obras (por ejemplo por quadcopter construir) y collage, así como una comprensión no-comprensiva de los temas mencionados anteriormente, no he capaces de hacer más martes tutoriales!
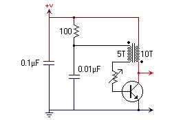
Como por ahora, te dejo con un desafío: tratar de invertir el funcionamiento de los esquemas escritos. ¿Puede usted averiguar lo que hacen y cómo funcionan? ¡Buena suerte!