Cómo obtener esquemas fabricada (8 / 19 paso)

Paso 8: Diseño de circuitos: utilizando las etiquetas

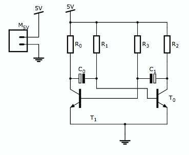
Si su esquema es cada vez más complicado, usted puede mantenerlo limpio mediante el uso de etiquetas. El esquema de las 3 siguientes capturas lógicamente es la misma.

Artículos Relacionados

Emblema de fuerza aérea de corte por láser

Emblema de fuerza aérea de corte por láser

como un veterano de la fuerza aérea, recuerdo buscando artículos que eran de buena calidad para mostrar en mi casa y oficina y lo sigo haciendo. Y ahora que tengo la capacidad para realizar tales artículos que quiero compartir en este capaz de cómo h
Plataforma de desarrollo de DIY Low Cost móvil de Arduino

Plataforma de desarrollo de DIY Low Cost móvil de Arduino

He querido construir mi propio robot por un tiempo ahora. Pero tras muchos juzgado y los intentos fallaron, que estaba perdiendo la esperanza de que alguna vez puede ocurrir. Descubrí que no era un pequeño, robusta, muy fácil de complemento, robot qu
Gire su águila esquemático en un PCB

Gire su águila esquemático en un PCB

en un Instructable anterior, proporcionó una introducción a la entrada esquemática con editor de águila de CadSoft.En este instructable, vamos a hacer una placa de circuito impreso de ese esquemaDebo decir que vamos a hacer un diseñode PCB; la Junta
Cómo obtener tu iPod para cargar con el cargador de casa.

Cómo obtener tu iPod para cargar con el cargador de casa.

Cargadores USB son una de las cosas más populares para construir aquí en Instructables. Sin embargo, innumerables personas han decepcionado al descubrir que después de todo de su trabajo, sus iPods sólo sentarse allí y no hacer nada, a pesar de recib
Cómo invertir un esquema de un circuito

Cómo invertir un esquema de un circuito

este proyecto es el resultado de la necesidad de un artículo electrónico doméstico de servicio sin ser capaces de obtener un diagrama del circuito.El proceso fue muy largo y laborioso, pero también muy gratificante.  Los pasos aquí presentados no son
LED mod pickup guitarra eléctrica *** actualizado con esquema para parpadear leds y video! ¿

LED mod pickup guitarra eléctrica *** actualizado con esquema para parpadear leds y video! ¿

Ever quería que su guitarra sea único? ¿O una guitarra que hace todo el mundo celoso de él? ¿O estás cansado del look antiguo llano de la guitarra y quieren ataviar encima? Bueno, en este muy simple Ible te voy a mostrar cómo se iluminan las pastilla
¿Mejor manera para obtener imágenes

¿Mejor manera para obtener imágenes

alguna vez tiene que conseguir un montón de pantalla tiros, pero no eres super fuerte en mspaint/photoshop/gimp? No se preocupe, ScreenHunter está aquí para ayudarle!Paso 1: Descargar el ScreenHunter gratis Vaya y encuentras una computadora (la que u
Encontrar esquemas, diagramas, etc. para los dispositivos electrónicos cotidianos de cableado

Encontrar esquemas, diagramas, etc. para los dispositivos electrónicos cotidianos de cableado

IntroducciónSi alguna vez ha encontrado usted mismo desarmar varios electrónica para construir algo propio, este Instructable es para usted.A veces puede ser útil tener más detalle sobre el funcionamiento interno del dispositivo. ¿No sería agradable
Eléctrico esquemático pantalones o PTU (Sketchbook Pro 6)

Eléctrico esquemático pantalones o PTU (Sketchbook Pro 6)

Déjame empezar por decir que gracias por querer mirar mi instructable. Yo se entrar esto en el concurso de "Diseñar, dibujar, usar". Así que si sientes como yo lo hice un buen trabajo, por favor deslice en darme un voto. Una vez más gracias.¡ Ho
Nombres de esquema de imagen de archivos y carpetas

Nombres de esquema de imagen de archivos y carpetas

después de la invención de cámaras digitales y teléfonos inteligentes, actualmente la mayoría de nosotros tiene miles de archivos de imagen dispersados todo en nuestro PC, teléfono, hd externo, etc.. Este instructable es ayudarle a manejar sus archiv
Beneficio colectivo de los esquemas de referencia de regalo

Beneficio colectivo de los esquemas de referencia de regalo

ha habido una oleada de publicar enlaces para sistemas de referencia de regalo recientemente-el tipo de cosa "obtener 8 referidos y ganar (pedazo de vales electrónicos o regalo al consumidor)". En este rápido ' Tible le mostraré cómo utilizar a
Permite dar Linux un intento (aka permite obtener ese viejo PC que otra vez)

Permite dar Linux un intento (aka permite obtener ese viejo PC que otra vez)

¿Eres de esas personas que se encogerán y esconden de la palabra «LINUX»? Sé que todavía hay algunos de ustedes por ahí. No te preocupes, el miedo es tratable. Créeme. Fui uno de ustedes!Este Instructable es para gente como nosotros.Voy a mostrar una
Obtener un modelo 3D de su habitación

Obtener un modelo 3D de su habitación

¿Por qué desea obtener un archivo de modelo 3D de su habitación? Bueno, hay un par de razones. Si eres animador, puede que desee buscar una habitación para conseguir un entorno realista para animar. Otra razón, es que uses un programa para explorar l
Cómo obtener música gratis de PP sin ningún programa especial además de tal vez windows media 9 10

Cómo obtener música gratis de PP sin ningún programa especial además de tal vez windows media 9 10

este instructable le mostrará cómo obtener música gratis desde el proveedor de lista de reproducción libre, proyecto de lista de reproducción.(Mi primer Instructable ftw!)Las cosas que usted necesitará:1. un ordenador (duh)2. Fi (otra duh causa tu le