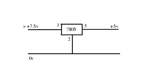
Paso 3: Construir un circuito de regulador de voltaje Simple






Para hacer este adaptador de línea de teléfono simple necesita el cable de teléfono que hemos estado trabajando con el regulador de voltaje de 5V y un cable USB con un conector hembra. Sólo Conecte el cable rojo desde la línea de teléfono con el primer conductor en el regulador y conecte el cable verde en la línea de teléfono de la segunda. Luego conecte el cable negro del cable USB de la segunda en el regulador y conecte el cable rojo del cable del USB para el tercer conductor en el regulador. Si usted no puede soldar los cables entre sí (porque la energía está hacia fuera), apenas puede envolver los alambres en cada cable. Si haces esto, deben doblarse los cables del regulador alejados uno del otro. Esto le ayudará a evitar accidentalmente cruzando los cables.
Este circuito regulador simple es capaz de convertir con seguridad la señal del teléfono base en algo que puede utilizarse para cargar su teléfono. Sin embargo, muchos de los reguladores de voltaje no son capaces de manejar la señal de AC que recibirían si sonó el teléfono. Así que si usted está preocupado de que podría recibir una llamada mientras que el regulador está conectado a la línea telefónica, puede Agregar un diodo entre el cable rojo de la línea telefónica y el primer pin del regulador de voltaje. Esto protegerá el circuito de los problemas que pudieran ser causados por inversión de polaridad.