Paso 8: Enrolle pensamientos hasta y finales


Si todo desprotege OK, colocar las tapas en el horno, junction box(s) y switches.
Envuélvalo con cinta de aluminio sobre las articulaciones.
Reflexiones finales
--Resultados--
El flujo de aire ha aumentado en cerca del 100% y la temperatura de 30-40%, que realmente hizo una diferencia en nuestro caso.
Se puede oír el funcionamiento por lo que no es solución silenciosa pero el ruido del ventilador no es malo y le da una indicación de que el ventilador no esté atascado.
El zumbido generado por el ventilador es realidad terapéutico (al menos para mí lo es).
--Otros pensamientos--
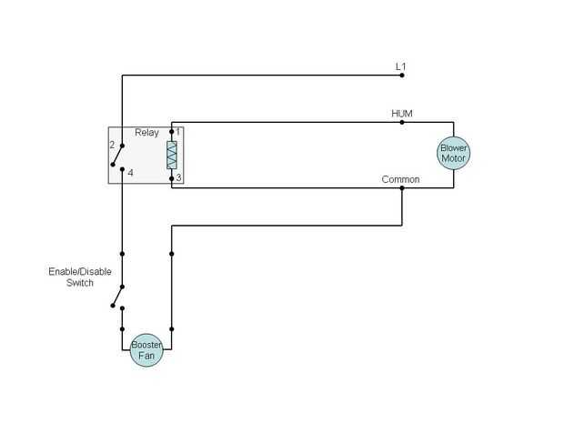
Siempre anteponer la seguridad, apague el suministro eléctrico, use gafas de seguridad, aislar cables expuestos, etc..
No utilice un interruptor desde el almacén del dólar, para sobre el mismo precio que puedes comprar uno de Home Depot o Lowes. Mina era mala y que tenía que hacer algunos problemas. De hecho, las instrucciones para el cambio de dólares de la tienda dijo para conectar los cables blanco y negro a los terminales del interruptor que significa cerrar el circuito entre los cables de vivo y neutro en efecto creando un cortocircuito, así que ten cuidado ahí.
Asegúrese de que todos los cables/conexiones están aisladas correctamente.
Si usted no se siente cómodo trabajando con electricidad entonces no hacerlo, pídale a un amigo o traer un electricista a ayudarle. electricidad puede y te matará dadas las circunstancias correctas.
Disfrutar de su nuevo ventilador de refuerzo.