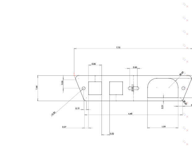
Paso 2: Localización y diseño


Quería que los enchufes para ser accesible pero no molesta. Elegí la consola en el piso justo debajo de los titulares de la bebida. Esto puede ser una mala idea para personas que usan mucho los titulares de la bebida porque podría derrame liquido en las bujías causando un cortocircuito. No usarlos mucho así que decidí poner mi panel.
Una vez que esté firme en un lugar, necesita diseñar el diseño y la forma de su panel. Usé un programa llamado solidworks para hacer esto pero funciona bien el sketchup de google libremente disponibles.