Cómo hacer un robot de control inalámbrico en unos simples pasos (3 / 5 paso)

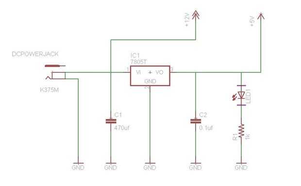
Paso 3: Utilizar este circuito para convertir 12v 9 vcc de 5v regulada

Si le está dando entrada de 9v al circuito u debe utilizar este circuito para convertirlo.

o si usas 6v directamente entonces no hay problema.

Artículos Relacionados

SMS control inalámbrico sistema de riego

SMS control inalámbrico sistema de riego

Actualización 13/02/11: la votación ha comenzado para el concurso de microcontrolador de Sparkfun. Por favor voten por mi!ACTUALIZACIÓN 26/02/11: gané un segundo premio!!!! Huzzah! Gracias por los votos!ACTUALIZACIÓN 17/03/11: me encantaría ganar un
Agregar Control inalámbrico a mono luz M232

Agregar Control inalámbrico a mono luz M232

este instructable le guía a través de cómo agregar un control remoto inalámbrico para las luces de bicicleta mono M232 de luz existentes. Me encanta estas luces - rad 42 patrones, cargas de diferentes colores, dos ajustes de brillo y bajo consumo de
Cómo hacer un taladro eléctrico inalámbrico MODED DIY / Tutorial

Cómo hacer un taladro eléctrico inalámbrico MODED DIY / Tutorial

https://www.youtube.com/watch?v=CBQyrM_kJpw&feature=youtu.bePaso 1: Hacer un taladro eléctrico inalámbrico MODED necesita! Hoy se actualizará un destornillador eléctrico antiguo, fiel e inolvidable que sigue fielmente puede servirle a pesar de su baj
Acelerómetro Tilt control inalámbrico RGB LED-luces

Acelerómetro Tilt control inalámbrico RGB LED-luces

este es el video de mi instructable acelerómetro Tilt control inalámbrico RGB LED-luces. Muestra el transmisor inclinado en diferentes direcciones y la correspondiente luz de la lámpara.Instructivo
Tiras de LED de Phone Remote-Controlled inalámbrico: RasPi con conductor Fadecandy con WS2811/WS2812 direccionable LED tiras con TouchOSC Smartphone App con el Iphone o el Droid

Tiras de LED de Phone Remote-Controlled inalámbrico: RasPi con conductor Fadecandy con WS2811/WS2812 direccionable LED tiras con TouchOSC Smartphone App con el Iphone o el Droid

Aquí va un resumen de diseño cada vez más amplia de mi último proyecto. A continuación, un vídeo que he subido mostrando algunas funciones:La progresión de la idea original fue algo como lo siguiente:Tira de LED direccionable (s siempre queremos más
Convertir cualquier control remoto a un control inalámbrico interruptor ON/OFF

Convertir cualquier control remoto a un control inalámbrico interruptor ON/OFF

al construir un cronómetro de Toastmaster, necesitaba un interruptor para actuar como un interruptor de arranque/parada. Primero construí con un cable coaxial flexible larga, pero como pasaba el tiempo, resultó para ser impracticable: podría ser dema
Utilizando el botón base de chispa y conexión a internet para hacer un pequeño ventilador inalámbrico!

Utilizando el botón base de chispa y conexión a internet para hacer un pequeño ventilador inalámbrico!

Vamos a hacer un pequeño ventilador que usted será capaz de controlar con cualquier dispositivo inalámbrico!Paso 1: materiales-Núcleo chispa-Botón de Internet chispa-Alambre-Motor ventilador-USB cablePaso 2: Conecte su núcleo en el botón de internet.
Hacer una caja de luz inalámbrico

Hacer una caja de luz inalámbrico

Recientemente diseñado y construido esta caja de luz que no requiere 'red' fuente de alimentación. Apenas Inserte una batería de 9V DC.Sólo han terminado mi cargar archivo y quería compartir.Ahora todo el mundo puede hacer sus cajas de luz encendidos
Modding de un tanque para control inalámbrico

Modding de un tanque para control inalámbrico

en este instructable le mostraré cómo transformar su tanque de RF en algo controlado a través de wifi. La palanca de mando o panel de control será un programa escrito en C#. Aplicaciones pueden escribirse para los teléfonos android, para que el contr
Cómo hacer espaguetis en unos simples pasos

Cómo hacer espaguetis en unos simples pasos

Es realmente fácil hacer espaguetis en casa! Utilizando salsa de tomate enlatada significa que se puede cenar en la mesa de debajo de una media hora, demasiado. Seguir leyendo para saber cómo hacer un spaghetti básico con salsa de carne!Paso 1: Obten
Hack de taladro inalámbrico de 12V simple!!!!!!

Hack de taladro inalámbrico de 12V simple!!!!!!

Dar el taladro de batería 12V unos GRUNT real!!!!!!¡ YAY! Casi terminado mi Vespa para proyecto: Neon. (Será publicado pronto) Sólo hay que perforar un agujero aquí... (agarra el taladro de batería, pinzas en la batería)... 5 bit... hay... y del tala
Sencillo mando a distancia inalámbrico para Robot

Sencillo mando a distancia inalámbrico para Robot

Se trata de simple control remoto de 4 canales para el control de dos motores de corriente continua en dirección hacia adelante y reversa.Paso 1: Diseño transmisorTransmisor se construye usando el codificador HT12E, módulo inalámbrico de 433MHz y los
Manual de robot de control atado con alambre

Manual de robot de control atado con alambre

Simple con cable Robot Manual atado por el control con cable, cable 4 x 2 o 4 x 4! engranaje de la c.c. motor rpm 300-1000 rpm.. .racing 4 x 4, mod robot, guerras robot luchan! Si quiere crear un robot en su casa, déjenme decirles esto. Básicamente e
Inalámbrico de altavoz Robot

Inalámbrico de altavoz Robot

Gracias por comprobar hacia fuera mi instuctable en cómo construí mi Apocalipsis temática Robot Wifi altavoz.Esta es mi tercera generación de altavoces wifi. Se integra con mis otras 4 diy construido altavoces wifi para hacer un sistema de audio comp