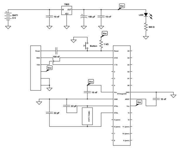
Cómo hacer un Arduino solo Chip (1 / 1 paso)

Paso 1:

Aquí está el manual de reparacion para aquellos de ustedes que quieren probar y hacerlo. Nos vemos bye instructable, siguiente chicos.

Artículos Relacionados

Solo Chip de ordenador: Fácil producir AVR BASIC computadora

Solo Chip de ordenador: Fácil producir AVR BASIC computadora

Este instructivo será documentar y explicar mi último proyecto, un sistema de ordenador independiente basado en un único chip (IC); el ATmega P. 1284 El 1284 P es responsable de todos los aspectos del sistema, incluyendo ejecuta el intérprete de BASI
Hacer un ARDUINO por su cuenta...!!!

Hacer un ARDUINO por su cuenta...!!!

Plataforma ARDUINO es la plataforma más popular de hoy en el mundo utilizado para los proyectos integrados.Programación de un Arduino es muy sencillo que cualquier otro sistema.Sólo conéctelo a su PC y empezar...!!!Pero como la independiente proyecto
Cómo hacer un Arduino desde cero

Cómo hacer un Arduino desde cero

Ingeniería frugal es el mejor camino a seguir para la ciencia.Si usted está interesado en hacer algunas arduino desde cero, usted ha venido al lugar correcto.Puedes ver un tutorial en vídeo de este instructable: aquíComplementará cualquier lagunas o
Rastas sintéticas DIY: Hacer sólido solo terminó rastas

Rastas sintéticas DIY: Hacer sólido solo terminó rastas

Hola!Este es mi primer tutorial...Este instructivo se te enseñamos un método de hacer dreads terminados solo sólidos, a partir de los materiales que necesitas y explica cómo establecer y backcomb su camino a un sólido terror terminado solo.Paso 1: ma
Hacer PCB Arduino Componen probador v07

Hacer PCB Arduino Componen probador v07

thx especiales parami referencia:http://Forum.Arduino.CC/index.php?topic=164112.0 https://blog.Adafruit.com/2013/05/02/ardutester-a... http://Forum.Arduino.CC/index.php?topic=164112.0 http://nicuflorica.blogspot.co.ID/2015/04/ardutes...Frot sobre enl
Cómo hacer un Triple-solo pulsera y una sola pulsera en un telar

Cómo hacer un Triple-solo pulsera y una sola pulsera en un telar

bueno primero le mostrará cómo hacer un triple solo entonces le mostrará cómo hacer un solo y conectarse a la triple a hacer una pulseraPaso 1: Reunir tus cosas Necesita1. algunas bandas de goma (yo usé rojo y verde2. el telar3. un gancho de crochet
Multipel 7 Segmen di Arduino dengan Chip 7447

Multipel 7 Segmen di Arduino dengan Chip 7447

Mukadimahmenggunakan 7 Segmen di Arduino adalah perkara gampang gampang susah gampang karena mengoperasikan 7 Segmen memang sangat dasar, hanya masalah conmutación, menjadi susah karena 7 segmen mengharuskan kita berurusan dengan banyak kabel: v. di
Cómo hacer impresionante cacahuate Chocolate Chip Cookies

Cómo hacer impresionante cacahuate Chocolate Chip Cookies

aquí es una guía sobre cómo hacer unas galletas yummily masticables. Si las cookies seguirán saliendo como endurecidos discos que funcionen mejor como discos voladores que postre tengo un par de consejos que pueden ayudarte sin importar de qué tipo d
Cómo hacer comunicar Arduino con teclado a MySQL DB.

Cómo hacer comunicar Arduino con teclado a MySQL DB.

En esta nueva lección de Arduino, vemos cómo utilizar el teclado para introducir un código, que se verificará a través de una conexión a una DB MySQL.Ya hemos visto en la lección 8, cómo utilizar el teclado (ambos 4 × 3 a 4 × 4) con Arduino, para lee
Hackear un Cable ELM327 para hacer un Arduino OBD2 escáner

Hackear un Cable ELM327 para hacer un Arduino OBD2 escáner

En mi anterior instructable he creado un simulador de OBD2 por lo que tuve que probar mi OBD2 lector de Arduino en el coche todo el tiempo sino en la comodidad de mi propia casa.Cosas que usted necesita.Arduino UNOProtector de pantalla LCDCable ELM32
Cómo hacer inatacables arduino seguro dispositivo de IoT

Cómo hacer inatacables arduino seguro dispositivo de IoT

Thesedays allí son un montón de Internet de las cosas.Pero la mayoría de estos IoT se expone bajo el ataque de la red como como DDOS.Por consiguiente los expertos muchos de IoT nos advierten sobre el problema de seguridad de la IoT como como un sigui
Cómo hacer un Arduino basados en luz con control remoto infrarrojo de la noche!

Cómo hacer un Arduino basados en luz con control remoto infrarrojo de la noche!

Aquí está un Instructable que le mostrará cómo construir una noche de la Arduino basado en luz conpequeño control remoto infrarrojo que permite recorrer 10 pre set colores y un desvanecimiento al azarrutina de color que lazos para siempre.Este instru
Hacer el mejor Chocolate Chip Cookies

Hacer el mejor Chocolate Chip Cookies

Las galletas de chispas de chocolate perfecto es una combinación de arte y ciencia. La ciencia de la hornada es bastante recta hacia adelante. Tienes los beneficios de la combinación de grasa y azúcar por batir; el tiempo correcto para combinar los i
Cómo hacer abuela carros solo para abuelitas ya no

Cómo hacer abuela carros solo para abuelitas ya no

esto es una manera única a su carro de abuelita en estilo en las calles de la ciudad del deporte. Cultura de carro de abuelita puede golpear mainstream con su ayuda!Después de recibir su cesta de la abuela de un más viejo pariente siga las instruccio