













Es mi primer instructable. Vamos a ver cómo hacer un amplificador de audio que se puede utilizar con cualquiera de sus instrumentos musicales como guitarra, piano y con ipod y otros dispositivos. Que permite comenzar el viaje...
Descargo de responsabilidad: Si siguiendo esta guía cualquier cosa daña voy no se hace responsable. Hacerlo bajo su propio riesgo.
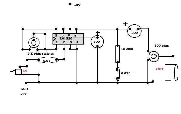
Componentes
Necesita los siguientes componentes
1 - el LM 386 semiconductor (IC)
2 - condensador de 100 micro faradio
3 - condensador 220 micro faradio
4 - resistencia de ohm 10
5 - resistencia variable de 5 kilo ohm
6 - resistor variable 100 ohm
7 - 0.01 condensador
8 - 0.047 condensador
9 - cables
10 - clip de la batería 9V
11 - batería de 9V
12 - macho de 3, 5 mm jack estéreo
13 - mujer de 3, 5 mm jack estéreo
14-proyecto (o puede utilizar tablero de punteado y soldadura)
Puede encontrar estos componentes eléctricos de su tienda electrónica más cercana. Todos estos componentes son fáciles de encontrar y son comunes por lo que no tiene un tiempo duro para encontrarla.
Colocar el IC
1 - colocar el LM 386 en la Junta como se muestra en la imagen.
2-Si escoges la IC frente a ti (para que pueda leer lo que está escrito en él) y luego el perno inferior de la izquierda es 1 y el aumento de número de pin en sentido antihorario. Tomar un alambre y unir el pin 3 a 4 pin (pin GND).
0.0.1 condensador
Únete al uno pin de condensador de 0.01 con el pin 2 del IC. Los otros pines del condensador deben ser alineadas con la entrada.
Controlador de ganancia
4-ahora unir el pin 1 de IC con A pin de los 5 resistencia variable k ohmios.
Únete A pin de esta resistencia variable con la clavija del C. Por último unir el pin 8 del IC con la B de esta resistencia variable. Esto se convierte la ganancia.
resistencia de 10 ohmios y condensador de 0.047
6-unir el pin 5 del IC con un lado de la resistencia de 10 ohm, al otro lado de la resistencia debe ser alineado con un perno del condensador de 0.047. El segundo perno del condensador debe ser alineado con el pin GND (pin 4 del IC).
Controlador de volumen
7-ahora otra vez Únete el pin 5 del IC con el + lado ve de 220 micro faradio, el lado - ve del perno debe fijarse con la A de la resistencia variable de 100 ohm. La clavija B de la resistencia variable debe ser conectada al pin de GND (pin 4 del IC). Esto se convierte en el controlador de volumen.
Entrada y salida
8-unir el + pin de ve de la hembra de jack estéreo de 3,5 mm con el C de la resistencia variable de 100 ohm. Y la tierra del conector hembra debe fijarse con el GND del IC (pin 4 del IC).
9-unir el + ve del macho estéreo de 3,5 mm con el otro lado del condensador 0,01 y unir la tierra del gato macho con el GND de la IC.
Paso 10: pruebas
10 la última pero no la combinación de por lo menos la Ve de la batería de 9V con el pin 6 del IC y - Ve de la batería con el pin 4 del IC.
Enhorabuena!!!!!! han hecho su propio amplificador de audio sencillo.
Ahora el momento de comprobarlo. Únete al enchufe masculino con su reproductor de mp3 o instrumento musical y la hembra con los altavoces. Ajustar el volumen y la ganancia para obtener la mejor y más fuerte posible sonido. Debo avisarle que con este amplificador funcionará sólo un orador. Y hacer el ajuste de baja a alta. Hacer el ajuste con cuidado o puede dañar los altavoces.
Puede cambiar los conectores de entrada como su requisito. Puede Agregar un capacitor variable de 220 micro faradio en lugar de sencilla 220 micro farad condensador cambiar el bajo.
¡ DISFRUTE!