Paso 4: Controlador de RAM


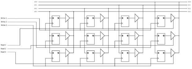
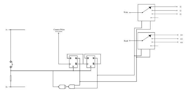
La segunda imagen muestra mi controlador de RAM. Si un borde de levantamiento está presente en el reloj del primer flip-flop, el contador cuenta hacia arriba por uno (como d está conectado a no Q). para cada pulso cuenta hacia arriba por uno. Cuando la salida del contador es 11, la salida de la lógica de reinicio se vuelve alta, hacer las entradas de reset del contador de alta. Esto hace restablece el contador a 00. el contador controla que la salida que los multiplexores no están conectados a la salida. por ejemplo, si el contador de salida es 01 entonces el multiplexor de se conectaría a la salida del segundo desde la parte superior (donde los puntos de la flecha en el diagrama es siempre el estado multiplexor en el 00). no sólo tiene una lectura y una escritura entrada - y el contador de entrada. usted podría - si no te importa la RAM siempre leer su contenido a la salida excepto cuando escritura hacer la entrada de escritura igual a 'No leer' no con la puerta (o una puerta del NAND con dos entradas atados si se utiliza lógica NAND)
Ahora ya tenemos el controlador de memoria RAM tenemos un pleno funcionamiento bytes de uno y una mitad de 4 bits RAM! Imagínese tratando de hacer lo suficiente para un ordenador moderno esta manera D: