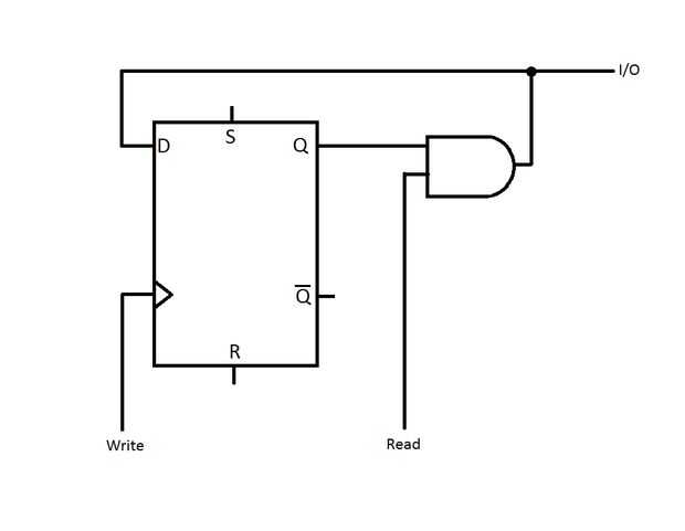
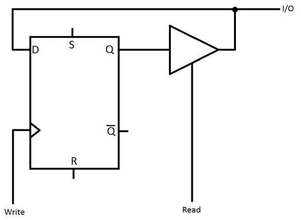
Paso 3: Estados





La tercera imagen muestra el mismo sistema pero implementado con Estados (o si no tienes Estados puede usar una puerta y con un diodo). de esta manera es mucho mejor, ahora solo tenemos un solo cable para entradas y salidas, y ves realmente los beneficios de la utilización de los Estados en los cuadros 4 y 5.