Cómo hacer el mundo más fácil fuente de alimentación (2 / 6 paso)

Paso 2: seguridad

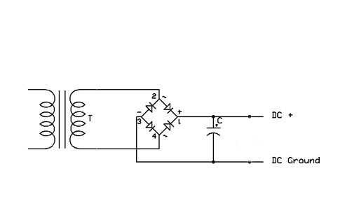
Antes de empezar, permite revisar un poco de seguridad. En primer lugar, siempre use guantes cuando trabaje con la placa de potencia expuestas. Cuando la fuente está funcionando hay corriente alterna funcionando a través de los muchos componentes en el tablero. (los cables están expuestos en la parte inferior que puede darte una descarga muy muy mal) Otra no es a las Naciones Unidas-soldadura nada en el tablero, pueden causa un incendio o la peor. Y prestar atención a mis instrucciones y diagramas.

Artículos Relacionados

Hacer un tablero de la fuente de alimentación

Hacer un tablero de la fuente de alimentación

este fue un proyecto de fin de semana que lo hice para que pueda usar un protoboard y conseguir el poder para él. Algunos de mis proyectos implican usar 5V de una fuente de la lógica, mientras que para otros puedo necesitar un voltaje más alto. En es
Construir un Robot muy pequeño: hacer el mundo más pequeño de ruedas Robot con una pinza.

Construir un Robot muy pequeño: hacer el mundo más pequeño de ruedas Robot con una pinza.

Construir un robot de 1/20 pulgada cúbica con una pinza que puede recoger y mover pequeños objetos. Es controlado por un microcontrolador Picaxe. En este momento, creo que esto puede ser más pequeño robot con ruedas del mundo con una pinza. Cambiará
Cómo descargar y hacer un mundo de minecraft para principiantes

Cómo descargar y hacer un mundo de minecraft para principiantes

Este instructable le mostrará cómo descargar minecraft y hacer un mundo.Paso 1: Descarga de minecraftTienen un padre ayudarle en esta parte.En primer lugar usted necesita ir a minecraft.net. Ver el video. Si no has hecho una cuenta que tienes que hac
Cómo hacer un mundo de vidrio en minecraft PE (reemplazar mod hexagonal whit toda la piedra de cristal)

Cómo hacer un mundo de vidrio en minecraft PE (reemplazar mod hexagonal whit toda la piedra de cristal)

se muestra cómo hacer un mundo hacer de cristal ahora es fácil encontrar tumbas ocultas y cuevas de
Fuente de alimentación más pequeña del mundo!

Fuente de alimentación más pequeña del mundo!

Has querido alguna vez fuente de alimentación de tamaño pequeño que todavía el paquete un montón de energía, aquí está la fuente de alimentación más pequeña del mundo puede hacer menos de 6$!!!!!! Siguientes características impresionará que es seguro
Fuente de alimentación variable más pequeña del mundo

Fuente de alimentación variable más pequeña del mundo

El principal problema enfrentado por los ingenieros de electrónica son quieren una fuente de alimentación variable para pruebas de su costo de circuits.the de la fuente de alimentación variable son más $5.here que voy a hacer la variable fuente de en
Cómo hacer una fuente de alimentación de alta tensión

Cómo hacer una fuente de alimentación de alta tensión

esta fuente de alimentación pone a 400 voltios máximo y se almacena en un banco de capacitores. La mía es 2820 uF. Se pueden utilizar más o menos condensadores.Construido originalmente para una pistola pequeña bobina de alimentación pero puede ser ut
Cómo hacer una fuente de alimentación de baja potencia de desechados reproductor de DVD

Cómo hacer una fuente de alimentación de baja potencia de desechados reproductor de DVD

¿Hartos de juntos grabando baterías o hacer tagliatelle de cables para proporcionar algunos voltios para su proyecto electrónico? Sí tienes!En vez de comprar una nueva fuente de alimentación (fuente de alimentación) por qué no utilizar un tablero de
Hacer una fuente de alimentación de alta tensión de 240V MOT con transformadores de 120V

Hacer una fuente de alimentación de alta tensión de 240V MOT con transformadores de 120V

me encanta jugar con MOT pero el interruptor sólo tengo para alimentar a los de él solamente nominal a 15 amperios, así que decidí ver si podía ellos una salida 240V Energía mi papá para sus soldadores y compresor de aire y efectivamente, funciona! A
¿Hacer una fuente de alimentación simple de 12 voltios

¿Hacer una fuente de alimentación simple de 12 voltios

han necesitado alguna vez una fuente de alimentación de 12 voltios que puede suministrar 1 amperio máximo? ¿Pero tratando de comprar uno de la tienda es un poco demasiado caro?Bien, puede hacer una potencia de 12 voltios de suministro muy barato y fá
Hacer una fuente de alimentación USB protoboard para cerca de nada!

Hacer una fuente de alimentación USB protoboard para cerca de nada!

Esto es como hacer un USB fuente de alimentación para un protoboard sin romper el Banco. La razón por la que hice este instructable es porque cuando hago proyectos en mi protoboard, mis pilas se mantenga en morir. Así que dije a mí mismo y surgió con
Cómo hacer una fuente de alimentación de Molex

Cómo hacer una fuente de alimentación de Molex

esto es para mostrarle cómo usted puede hacer fácilmente un molex power fuente para tus discos duros / óptico unidades etc. con un adaptador DC 12V simplemente. Usted necesitará un par de cosas para empezar:-Soldador-Soldadura-Dos trozos de alambre-M
Cómo hacer aretes de botón fácil

Cómo hacer aretes de botón fácil

Hoy he filmé un video rápido DIY. Es un divertido proyecto. Es como hacer aretes de botón fácil en menos de 2 minutos. Podemos ahorrar mucho dinero haciendo nuestros propios pendientes.❤Please Suscríbete a mi channel❤!!!https://www.youtube.com/User/M
Impresionantes fotografías Macro ((hacer el Instructable perfecta con fácil siempre en foco macro fotografías))

Impresionantes fotografías Macro ((hacer el Instructable perfecta con fácil siempre en foco macro fotografías))

fotos de Macro Simple, puede obtener resultados como este con las manos temblorosas, mientras respirando normalmente, incluso después de tener unas cervezas a muchos (sí, la computadora hace el enfoque para usted)Hacer el perfecto INSTRUCTABLES con f