Cómo crear una pintura héroe locomotora (3 / 5 paso)

Paso 3: Doblar la plantilla acero & DIY

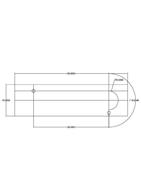
  1. Encontrar algunos restos de madera (3/4" es el mejor) que puede contener toda la longitud de la barra de acero y otro pedazo de chatarra para cortar un círculo de 6".
  2. Vas a necesitar algún desecho tubería metálica así (1/2" D x 1" - 4" de longitud).
  3. Consulte la imagen a construir la plantilla (véase abajo).
  4. La tubería de la plantilla se debe fijar a la madera perforando un agujero en la ubicación especificada del mismo tamaño que el tubo; el círculo de madera debe colocarse en la madera con tornillos.
  5. Después de completa la plantilla, la sección de acero de calor (ver imagen) con el capullo de rosa o fragua hasta que ilumina de naranja.  (Usar guantes de cuero)
  6. Bloquear una sección con el trozo de tubo y doblar la varilla alrededor del círculo hasta el otro extremo encaja en la otra sección de bloqueo.

Artículos Relacionados

Cómo crear una pintura de Jackson Pollack

Cómo crear una pintura de Jackson Pollack

al iniciar una Jackson Pollack pintura te necesita* Una paz grande de papel* Pinceles* Squirt botellas* Acrílico* Hacer orilla que tienes varias botellas de squirt* Si usted no puede necesitar lavado hacia fueraPaso 1: Cómo empezar Es el primer paso
Crear una animación de pintura de luz

Crear una animación de pintura de luz

hace un par de meses he creado una animación de pintura clara para mis escuelas festival anual de cine. Desafortunadamente después de varios contratiempos no fue capaz de reproducir esa noche, así que lo pongo en facebook y tiene buena recepción. He
Crear una batería de iones de aluminio/titanio recargable de 2 voltios

Crear una batería de iones de aluminio/titanio recargable de 2 voltios

Ver notas de seguridad a continuación. No se trata de una compilación para los tímidos. Sólo construir en un área bien ventilada.Después de varios años de varios experimentos, me encontré con una química de la batería viable que es ligero, más seguro
Cómo crear una búsqueda de huevos de críptico para la diversión de caza tesoro adulto

Cómo crear una búsqueda de huevos de críptico para la diversión de caza tesoro adulto

Yo solo voy a decirlo: caza del tesoro son impresionante. Es un juego, es un concurso, es una aventura. Bien hecho, la caza del huevo humilde puede ser literalmente lo más divertido que he had.*Olvidar la caza sin sentido, infantil de la infancia. En
Cómo crear una cabeza de la mascota asequible

Cómo crear una cabeza de la mascota asequible

aprenderá a crear una cabeza de la mascota con un presupuesto limitado.Paso 1: Reunir los materiales Tablero de la espuma comprar en ferretería. Para este proyecto usé 2 x 8 hojas de Owens-Corning InsulPink.Paso 2: Cortar formas rugosas Corte la tabl
Cómo crear una reproducción de vidrio fundido de su pilar de película favorito "ridiculously.awesome"

Cómo crear una reproducción de vidrio fundido de su pilar de película favorito "ridiculously.awesome"

gustaría empezar diciendo que me encantó el proceso de inventar y documentar las principales última instructable que escribí titulado Cómo construir un montaje ecuatorial para larga exposición astrofotografía.  Escribí esto para el "hacer lo verdader
Cómo crear una Frankenstein-Han Solo amor niño/abominación

Cómo crear una Frankenstein-Han Solo amor niño/abominación

esta instructable le guiará a través de las medidas para conjurar la abominable engendrado por el infierno que es FrankenSolo, los muertos, entonces no muerto, entonces carbonita encerrado hibernating gato del infierno del lado oscuro. No necesita ni
Cómo crear una bicicleta de descenso esquí 2.0

Cómo crear una bicicleta de descenso esquí 2.0

Una bicicleta de esquí es un artilugio magnífico que utiliza los elementos básicos de una bicicleta a esquís cuesta abajo para bajar una pendiente de nieve.Mi primer intento de crear una moto de esquí alpino dio lugar a un prototipo completamente fun
Crear una impresión 3D de principio a presentar usando Zbrush para principiantes

Crear una impresión 3D de principio a presentar usando Zbrush para principiantes

Se necesita:Un ordenador Zbrush 4R4 o equivalente Z plugin 3D impresora exportador (gratis desde la página de web de Pixologic)Tiempo: 2-3 horasOK, este es mi primer instructivo y espero que encuentres útil. El objetivo es mostrarles chicos cómo crea
Cómo hacer una pintura al óleo paisaje

Cómo hacer una pintura al óleo paisaje

En este tutorial, aprenderá a pintar un paisaje óleo sobre lienzo.* Exclusivos consejos y trucos se revelará de un pintor al óleo de 17 años! *Para esta actividad necesitarás:1 lienzo blanco rectangular (Puede usar cualquier tamaño prefiere - he util
Una pintura segura

Una pintura segura

Esto no es acerca de la seguridad.Hoy está nevando, realmente nevando ahí fuera, así que me tomo un día de nieve.Yo estoy sentado en mi silla, hacer punto y mirar por encima a la izquierda de la pared de la sala de estar...Paso 1: "hombre, este lugar
Crear una pared de Living interactivo

Crear una pared de Living interactivo

este instructable fue hecha como parte del requisito de proyecto final en el curso de postgrado de CS 'Tangibles Interactive Computing' en la Universidad de Maryland, College Park impartido por el profesor Jon Froehlich. El curso se centró en la expl
Ilusión óptica: Crear una con cualquier foto Color

Ilusión óptica: Crear una con cualquier foto Color

este instructable le mostrará cómo reflejo negativo a otro nivel. Introduciendo una foto de color negativo y luego inmediatamente la incorporación de una versión blanco y negro de la misma foto, percibes la foto en blanco y negro en color (la forma d
Cómo: Realizar una pintura de Worhal en Photoshop CS6 y CC

Cómo: Realizar una pintura de Worhal en Photoshop CS6 y CC

En este Instructable, le mostraré cómo hacer uno más famosa pintura diseño de Andy Worhal con Adobe Photoshop CS6/CCPaso 1: materiales Lo que necesitarás es Adobe Photoshop CS6 o Adobe Photoshop CC y un cuadro que puede caber en 4 cuadrados de buen t