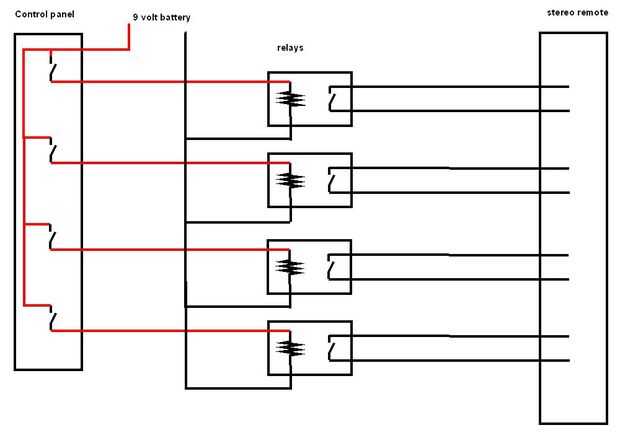
Paso 3: hacer la placa de control de relé


simplemente añada botones extra y relés según sea necesario.
y les hasta como se muestra en el diagrama del circuito.
He soldado los relés a un pedazo de tablero de vero y luego montar un bloque de terminales para que el panel de control puede ser conectado.













