Paso 8: Anterior a la compilación, construcción y eléctrico




Si vas a usar la transmisión de automóviles necesita una placa de adaptador para sujetar el motor a la transmisión. Así usted debe han incluyó en su lista de piezas. Esto es donde es útil utilizar componentes populares. Se trata de que toda su investigación será muy útil. Si usted se va a utilizar su transmisión necesita decidir si desea el embrague o transmisión directa. Usted debe comenzar con un diagrama de cómo sus partes trabajan juntas. Es muy probable que el regulador esquemático le mostrará todo que lo necesario para los componentes eléctricos. El tren de la impulsión componentes será probablemente en el mismo lugar que el viejo tren de la impulsión, así que mantenga los tornillos y tuercas como puede reutilizarlas. Cuanto más mecánicamente se inclinan más fácil es. No tengo mucha experiencia en construir un coche desde cero y fui capaz de hacerlo. He probado usando una impulsión de cadena y no funcionó. Después usé un eje que conecta directamente el motor a posteriori.
Quería que el motor en línea con el yugo en la parte trasera. Usé una cadena para tratar de hacer esto un estrecho como sea posible. No se trataba que simple, tenía que poner el motor en su lugar muchas veces durante la falsa para que este bien. Tengo soldados nuevos soportes del motor y colocar en el vehículo. I poner el motor en marcha y había conectado a la bancada. El nuevo motor fue muy fuerte así que tuve mis hijos me ayudan a levantar dentro y fuera de lugar. Una vez que el motor fue colocado añadí el eje motor y que es para los componentes mecánicos que he añadido. También fija los frenos e hizo algunos otros mantenimiento en el Jeep, fue construido en 1942 por lo que necesita algunos TLC.
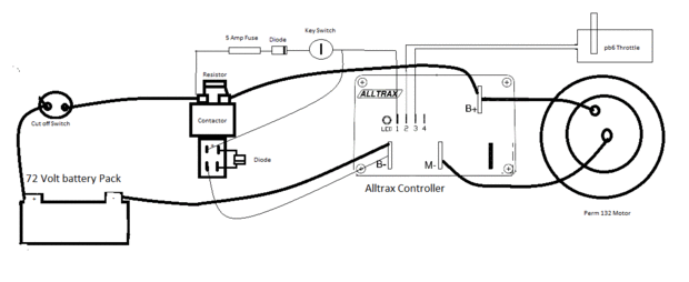
He comprado un controlador Alltrax y vino con un fusible. En el sitio web de Alltrax he encontrado un esquema para el controlador el potenciometro Curtis PB-6 0-5 K ohm. El contactor es necesario diodo y resistor por lo que he comprado. Yo también sabía que necesitaba un diodo de protección reversa de la esquemática por lo que ordenó a todas las piezas que necesitaba a la vez. Básicamente la documentación del controlador le dará los planes para conectar su EV. Dependiendo de la tensión, el alambre y cable terminales debe ser lo suficientemente gruesa como para no derretir. Encontré esta información en muchos sitios web. No quiero hacer la luz de esta parte de la construcción ya que es peligroso y puede resultar caro si usted alambre mal. Utilice la ayuda del sitio de web del controlador y el sitio de comprar los suministros eléctricos. No quiero sonar fácil, es muy útil si usted puede leer el esquema o tiene un amigo que puede. Tuve algunas herramientas básicas y un multímetro. Me siguió todas mis conexiones y utiliza del encogimiento del calor para que se vea bonito.