Paso 9: Cableado Arduino RC coche





Diagrama de cableado para controlador Arduino
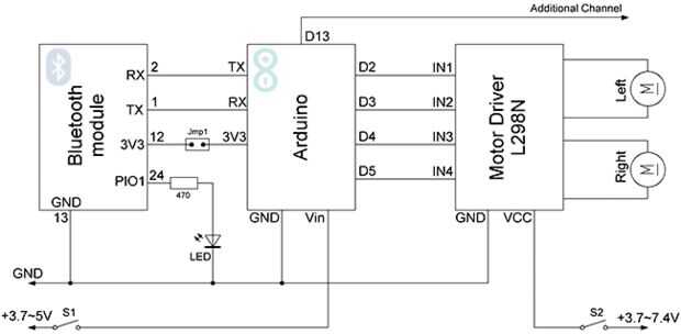
En el circuito he utilizado un puente (en el esquema Jmp1), ya que con un conexión Bluetooth módulo es imposible ser carga sketch Arduino.
He soldado un módulo Bluetooth para el Arduino y luz de estado. Para la comunicación entre Arduino y Bluetooth, Lee este artículo: Arduino y Bluetooth. Módulo HC-06 en el tubo del encogimiento del calor 10 mm. LED de Estado Bluetooth con resistencia de limitación de corriente (calculadora) también fueron colocados en el tubo del encogimiento del calor.
En la plataforma de la protoboard, perforé un orificio y seguro motor driver L298N. Placa Arduino atado con cinta de doble cara
Entre la plataforma del coche y el protoboard puse 3 batería Li-Po 3.7V 1100 mAh. Alimentación al controlador y motores por separado: Arduino alimentado por una batería de V 3.7, y los motores y controlador L298N de dos 3.7V baterías conectan en serie. Hay dos interruptor de 2 posiciones - una posición es la energía de las baterías a los consumidores, en la otra posición para terminales de carga.
BT entre pin RX (2) y Arduino pin TX pueden requerir cambio de nivel. Para ello, puede usar divisor de tensión: calculadora 5V a 3.3V